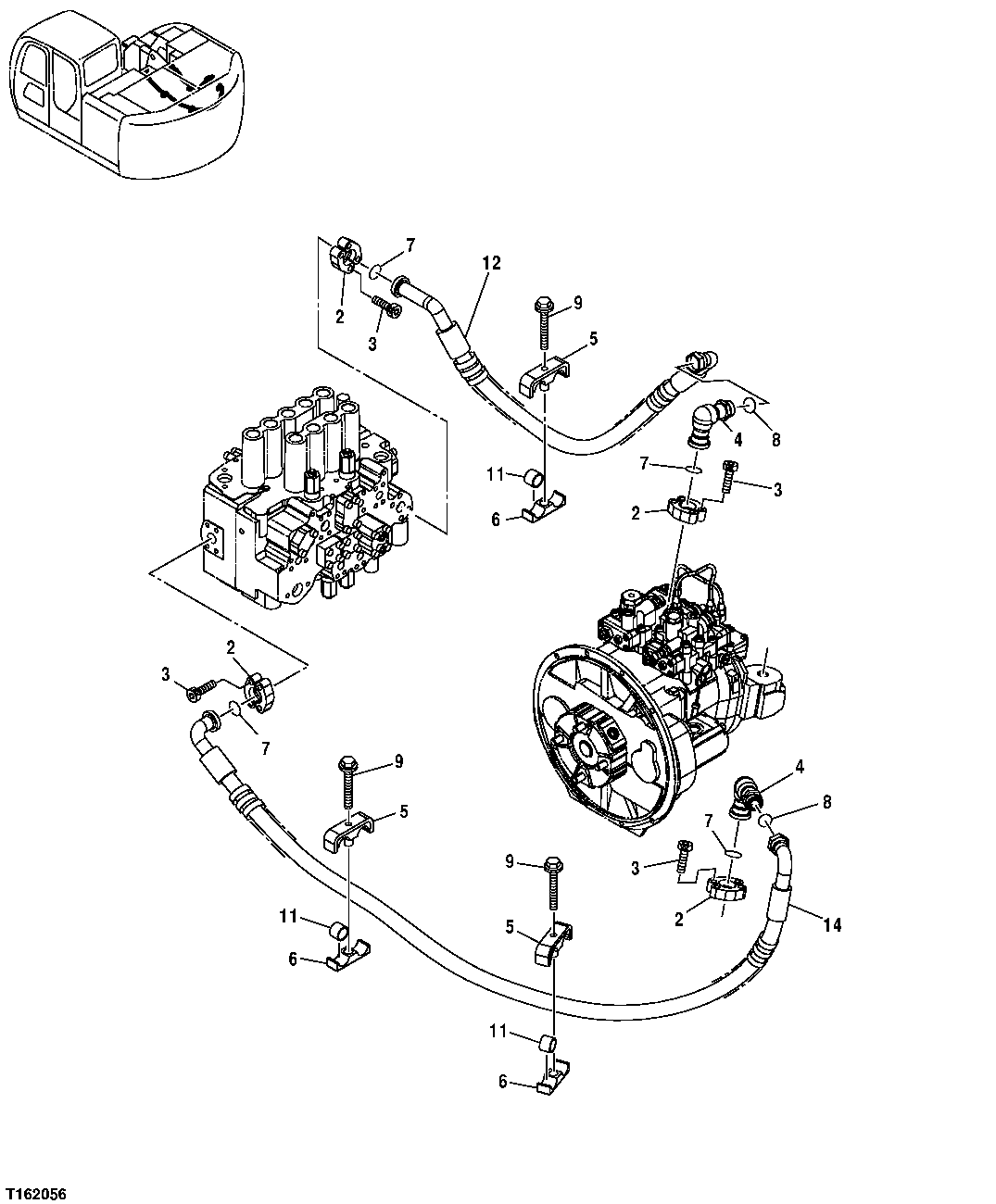
Запчасти John Deere 35D 230 - HIGH PRESSURE HYDRAULIC LINES (PUMP TO CONTROL VALVE) 3363 LINES, HOSES, AND FITTINGS

Схема запчастей John Deere 35D - 230 - HIGH PRESSURE HYDRAULIC LINES (PUMP TO CONTROL VALVE) 3363 LINES, HOSES, AND FITTINGS
FIT
1:1
100%

Артикул

Название

Примечание

Количество

2

4085560

Flange Fitting

8шт.

3

19M9163

Screw

M12 X 40 (SUB FOR J781240)

16шт.

4

9748520

Elbow Fitting

2шт.

5

8061722

Clamp

3шт.

6

3089340

Isolator

3шт.

7

966993

O-Ring

4шт.

8

T76938

O-Ring

(SUB FOR 4187328)

2шт.

9

19M7365

Cap Screw

M14 X 60 (SUB FOR J011280)

3шт.

12M7067

Lock Washer

12 mm

3шт.

11

4449227

Oil Line

3шт.

12

4454774

Hydraulic Hose

1шт.

Hose Guard

(MAKE FROM XHG-075 BULK MATERIAL , CUT TO LENGTH) ( 4327294 NLA)

1шт.

14

4454780

Hydraulic Hose

1шт.

Hose Guard

(MAKE FROM XHG-075 BULK MATERIAL , CUT TO LENGTH) ( 4327294 NLA)

2шт.

Выбрано товаров: 0