Запчасти John Deere 35D 237 - HYDRAULIC LINES (CONTROL VALVE TO ROTARY MANIFOLD) 3363 LINES, HOSES, AND FITTINGS

Схема запчастей John Deere 35D - 237 - HYDRAULIC LINES (CONTROL VALVE TO ROTARY MANIFOLD) 3363 LINES, HOSES, AND FITTINGS
FIT
1:1
100%

Артикул

Название

Примечание

Количество

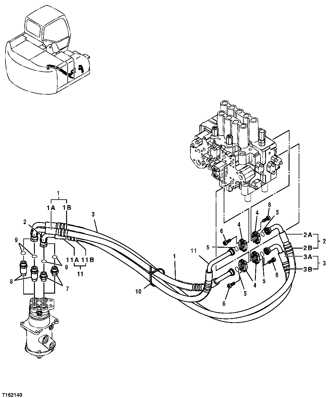
1

Hydraulic Hose

( 9197686 NLA)

1шт.

1A

4437545

Hydraulic Hose

1шт.

1B

Hose Guard

(MAKE FROM XHG-075 , CUT TO LENGTH) ( 4327294 NLA)

2шт.

2

Hydraulic Hose

( 9196162 NLA)

1шт.

2A

4449027

Hydraulic Hose

1шт.

2B

Hose Guard

(MAKE FROM XHG-075 , CUT TO LENGTH) ( 4327294 NLA)

6шт.

3

Hydraulic Hose

( 9197697 NLA)

1шт.

3A

4449028

Hydraulic Hose

1шт.

3B

Hose Guard

(MAKE FROM XHG-075 , CUT TO LENGTH) ( 4327294 NLA)

6шт.

4

R29424

Flange Fitting

(SUB FOR 986910)

8шт.

5

T59014

O-Ring

(SUB FOR 971489)

4шт.

6

19M7576

Screw

M10 X 30 (SUB FOR J781030)

16шт.

7

A853166

Adapter Fitting

2шт.

AT318035

O-Ring

(SUB FOR 4506424)

2шт.

8

4189539

Adapter Fitting

2шт.

AT318035

O-Ring

(SUB FOR 4506424)

2шт.

9

T77858

O-Ring

(SUB FOR 4187308)

4шт.

10

H77698

Tie Band

1шт.

11

Hydraulic Hose

( 9197685 NLA)

1шт.

11A

4449026

Hydraulic Hose

1шт.

11B

Hose Guard

(MAKE FROM XHG-075 , CUT TO LENGTH) ( 4327294 NLA)

4шт.

Выбрано товаров: 21