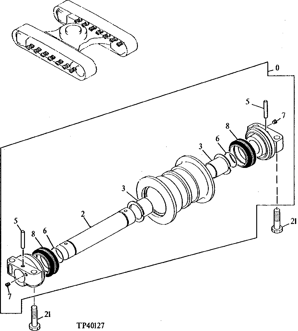
Запчасти John Deere 35D 9 - Lower Track Chain Roller 0133 ROLLERS

Схема запчастей John Deere 35D - 9 - Lower Track Chain Roller 0133 ROLLERS
FIT
1:1
100%

Артикул

Название

Примечание

Количество

0

AT444699

Roller

AT219466 NLA; SUB FOR AT332621

16шт.

Roller

Main Roller Housing and Bushings Only Not Full Roller Assembly 9195202 NLA

16шт.

2

Shaft

7039373 NLA

1шт.

3

AT180013

Bushing

65 X 69 X 64.500 mm (2.559" X 2. 717" X 2.539") USE WITH AT219466

2шт.

3047030

Bushing

USE WITH 9195202

2шт.

5

AT180009

Pin Fastener

USE WITH AT219466

2шт.

4123162

Pin

USE WITH 9195202

2шт.

6

AT180012

O-Ring

59.400 X 3.100 mm (2.339" X 0.122") USE WITH AT219466

2шт.

A810060

Packing

USE WITH 9195202

2шт.

7

AT180007

Fitting Plug

USE WITH AT219466

2шт.

942011

Fitting Plug

SUB FOR 94-2011

2шт.

8

AT180011

Seal

USE WITH AT219466

2шт.

AT213829

Seal

USE WITH 9195202

2шт.

21

4331851

Cap Screw

M18 X 90 SUB FOR AT213839

56шт.

Выбрано товаров: 14