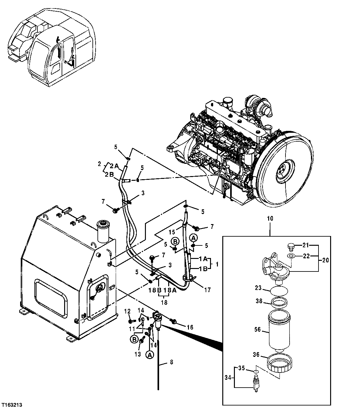
Запчасти John Deere 35D 77 - FUEL LINES (FUEL TANK TO ENGINE) AND WATER SEPARATOR 0563 FUEL LINES AND FITTINGS

Схема запчастей John Deere 35D - 77 - FUEL LINES (FUEL TANK TO ENGINE) AND WATER SEPARATOR 0563 FUEL LINES AND FITTINGS
FIT
1:1
100%

Артикул

Название

Примечание

Количество

1

Bulk Hose

MAKE FROM TY22503, CUT TO LENGTH

1шт.

1A

4295998

Hose

SUB FOR 4385003

1шт.

1B

Y404061

Hose Guard

SUB FOR 4259842, 4282220, 4385002, 4188525, 4387763, 4417414, 4435921, 4397947, 4210694 , 4376826, 4217535, 4295999, 4380083, 438500 4

1шт.

2

Hose

9196800 NLA Order Individual Components

1шт.

2A

TY24398

Bulk Hose

SUB FOR 4294710 OR 4385001

1шт.

2B

Y404061

Hose Guard

SUB FOR 4259842, 4282220, 4385002, 4188525

1шт.

3

R50454

Clamp

SUB FOR 4192034

2шт.

5

TY22464

Clamp

SUB FOR AR21836 OR 4514700

6шт.

7

19M7938

Cap Screw

M10 X 20 SUB FOR J011020

3шт.

12M7066

Lock Washer

10 mm

3шт.

8

Bulk Hose

MAKE FROM TY22501, CUT TO LENGTH

1шт.

10

1132008410

Sediment Bowl

SUB FOR 4452161

1шт.

11

4452162

Line

2шт.

12

4452163

Bolt

1шт.

13

4452164

Bolt

1шт.

14

8982513450

Packing

SUB FOR 4452165

4шт.

15

T24432

Clamp

SUB FOR 4190277

1шт.

16

19M7881

Screw

M8 X 20 SUB FOR J020820

2шт.

17

H77698

Tie Band

1шт.

18

Hose

9201170 NLA

1шт.

18A

Bulk Hose

MAKE FROM TY22503, CUT TO LENGTH

1шт.

18B

4454049

Sleeve

1шт.

20

5132120591

Manifold

1шт.

21

5132190200

Bolt

1шт.

22

5096300240

Gasket

1шт.

23

5096230700

O-Ring

1шт.

34

8944537460

Pipe Plug

1шт.

35

8941678860

O-Ring

1шт.

36

5132190221

Ring

1шт.

38

5132190210

Float

1шт.

56

1132112110

Case

1шт.

Выбрано товаров: 0