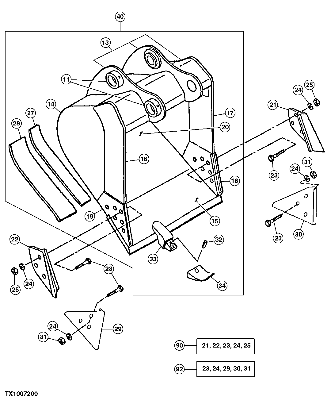
Запчасти John Deere 35D 157 - GENERAL PURPOSE HIGH CAPACITY BUCKET 3302 BUCKET WITH TEETH

Схема запчастей John Deere 35D - 157 - GENERAL PURPOSE HIGH CAPACITY BUCKET 3302 BUCKET WITH TEETH
FIT
1:1
100%

Артикул

Название

Примечание

Количество

11

TH104509

Bushing

2шт.

13

C607480

Pivot

(A) (BUCKET EAR BLANK ASSEMBLY)

1шт.

14

300536

Plate

(A) (RH/LH)

2шт.

15

Cutting Edge

(MAKE FROM AT131090)(CUT TO LENGTH)

1шт.

16

300534

Vertical Cutter

(A) (UPPER) (RH)

1шт.

17

300535

Vertical Cutter

(A) (UPPER) (LH)

1шт.

18

300482

Vertical Cutter

(A) (LEFT INSERT)

1шт.

19

300481

Vertical Cutter

(A) (RIGHT INSERT)

1шт.

20

600318

Moldboard

(A) (30 INCH)

1шт.

600319

Moldboard

(A) (36 INCH)

1шт.

600320

Moldboard

(A) (42 INCH)

1шт.

600321

Moldboard

(A) (48 INCH)

1шт.

21

Cutting Edge

(SUB AT131080)

1шт.

22

Cutting Edge

(SUB AT131080)

1шт.

23

09H1770

Bolt

7/8" X 2-1/2"

6шт.

24

12H245

Lock Washer

7/8"

6шт.

25

14H1077

Nut

7/8"

6шт.

27

300524

Bar

(A) (INNER WEAR)

1шт.

28

306974

Bar

(A) (OUTER WEAR)

2шт.

29

Shroud

Wear Shroud (SUB AT167874)

1шт.

30

Shroud

Wear Shroud (SUB AT167874)

1шт.

31

14H1044

Nut

7/8"

6шт.

32

TK290

Pin

ARшт.

33

T158X290

Bucket Tooth Adapter

ARшт.

34

TF290

Tooth

ARшт.

40

Excavator Bucket

(SUB FOR AT163607 ) (SUB AT339115)( AT33268 4 NLA) (30 INCH - .95 CUBIC YARD) (4 TEETH)

1шт.

Excavator Bucket

(SUB FOR AT163608 ) (SUB AT339122)( AT33268 5 NLA) (36 INCH - 1.16 CUBIC YARD) (5 TEETH)

1шт.

Excavator Bucket

(SUB FOR AT163609 ) (SUB AT339124)( AT33268 6 NLA) (42 INCH - 1.38 CUBIC YARD) (5 TEETH)

1шт.

Excavator Bucket

(SUB FOR AT163610 ) (SUB AT339126)( AT33268 7 NLA) (48 INCH - 1.60 CUBIC YARD) (6 TEETH)

1шт.

90

Kit

Side Cutter Kit ( AT131080 NLA)

1шт.

92

Kit

(EDGE PROTECTOR) ( AT167874 NLA)

1шт.

Выбрано товаров: 0