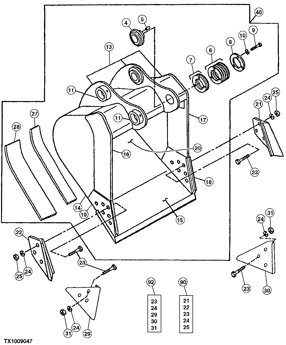
Запчасти John Deere 35D 171 - GENERAL PURPOSE BUCKET (ALSO ORDER BUCKET TOOTH ASSEMBLIES) 3302 BUCKET WITH TEETH

Схема запчастей John Deere 35D - 171 - GENERAL PURPOSE BUCKET (ALSO ORDER BUCKET TOOTH ASSEMBLIES) 3302 BUCKET WITH TEETH
FIT
1:1
100%

Артикул

Название

Примечание

Количество

4

Self-Aligning Bushing

(1 INCH HEAD THICKNESS) ( AT131083 NLA)

1шт.

5

R48685

Dowel Pin

1шт.

6

TH104512

Washer

9шт.

7

TH104513

Shim

1шт.

8

TH104514

Spacer

1шт.

9

19H2706

Cap Screw

5/8" X 2"

3шт.

10

12H294

Lock Washer

5/8"

3шт.

11

TH104509

Bushing

(LOCKING COLLAR)

2шт.

13

C607480

Pivot

(A) (BUCKET EAR BLANK ASSEMBLY)

1шт.

14

300536

Plate

(A) (RH / LH)

2шт.

15

Cutting Edge

(SUB FOR AT131082)(CUT TO LENGTH)

ARшт.

16

300534

Vertical Cutter

(A) (UPPER)(RH)

1шт.

17

300535

Vertical Cutter

(A) (UPPER) (LH)

1шт.

18

300482

Vertical Cutter

(A) (INSERT) (LH)

1шт.

19

300481

Vertical Cutter

(A) (INSERT) (RH)

1шт.

20

600318

Moldboard

(A) (30 INCH)

1шт.

600319

Moldboard

(A) (36 INCH)

1шт.

600320

Moldboard

(A) (42 INCH)

1шт.

600321

Moldboard

(A) (48 INCH)

1шт.

21

Cutting Edge

(SUB AT131080)(LH)

1шт.

22

Cutting Edge

(SUB AT131080)(RH)

1шт.

23

09H1771

Bolt

7/8" X 3"

6шт.

24

12H245

Lock Washer

7/8"

6шт.

25

14H1077

Nut

7/8"

6шт.

27

300524

Bar

(A) (INNER WEAR)

1шт.

28

306974

Bar

(A) (OUTER WEAR)

1шт.

29

Shroud

Wear (SUB AT167874)

1шт.

30

Shroud

Wear (SUB AT167874)

1шт.

31

14H1044

Nut

7/8"

1шт.

40

Excavator Bucket

( AT163600 NLA) (24 INCH - . 59 CUBIC YARD) (WHOLE GOODS)

1шт.

Excavator Bucket

( AT163602 NLA) (30 INCH - . 77 CUBIC YARD) (WHOLE GOODS)

1шт.

Excavator Bucket

( AT163603 NLA) (36 INCH - . 95 CUBIC YARD) (WHOLE GOODS)

1шт.

Excavator Bucket

( AT163604 NLA) (42 INCH - 1 .12 CUBIC YARD) (WHOLE GOODS)

1шт.

Excavator Bucket

( AT163605 NLA) (48 INCH - 1 .30 CUBIC YARD) (WHOLE GOODS)

1шт.

90

Kit

( AT131080 NLA)

1шт.

92

Kit

( AT167874 NLA)

1шт.

Выбрано товаров: 36