Запчасти John Deere 35D 255 - HYDRAULIC OIL TANK AND FILTER 3364 HYDRAULIC RESERVOIR

Схема запчастей John Deere 35D - 255 - HYDRAULIC OIL TANK AND FILTER 3364 HYDRAULIC RESERVOIR
FIT
1:1
100%

Артикул

Название

Примечание

Количество

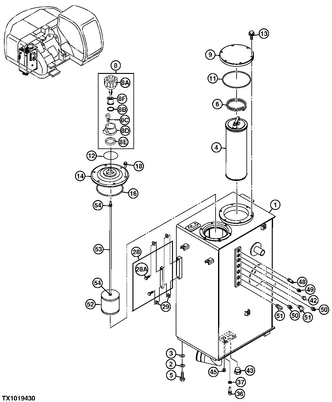
1

5007520

Hydraulic Reservoir

1шт.

2

12H294

Lock Washer

5/8" SUB FOR A590916

4шт.

3

24M7338

Washer

17 X 30 X 3 mm SUB FOR J222016

4шт.

4

FYA00033065

Filter

SUB FOR 4443773, 4448402 OR FYA00016055

1шт.

Filter Element

Cleanup Filter Short Term Use - Ap proximately Three Hours Idle Speed

1шт.

5

19M7488

Cap Screw

M16 X 40 SUB FOR J921640

4шт.

6

4443659

Spring

1шт.

8

Breather

AT167079 NLA

1шт.

8A

4326285

Cap

1шт.

8B

953612

O-Ring

1шт.

8C

19M8146

Screw

M5 X 16

3шт.

8D

4222875

Base

1шт.

8E

4222876

Packing

1шт.

8F

4251384

Filter Element

1шт.

9

4440802

Cover

1шт.

11

T110444

O-Ring

SUB FOR A810190

1шт.

12

CH11571

Packing

1шт.

13

19M7550

Cap Screw

M10 X 35 SUB FOR J021035

6шт.

14

8084816

Cover

1шт.

16

TH100679

O-Ring

1шт.

18

19M7402

Cap Screw

M10 X 25

6шт.

12M7066

Lock Washer

10 mm

6шт.

24M7028

Washer

10.500 X 20 X 2 mm

6шт.

28

8053499

Level Gauge

1шт.

28A

4100967

Bolt

2шт.

29

449558

Washer

4шт.

36

4250260

Sensor

1шт.

37

4250261

Gasket

1шт.

42

A885003

Pipe Plug

1шт.

CH11570

O-Ring

SUB FOR 4509180

1шт.

43

A885008

Pipe Plug

SUB FOR THA885008

1шт.

TH101926

O-Ring

1шт.

45

A885002

Plug

1шт.

M800650

Packing

SUB FOR 957366

1шт.

48

A852422

Tee Fitting

1шт.

M800650

Packing

SUB FOR 957366

1шт.

49

A852122

Adapter Fitting

1шт.

M800650

Packing

SUB FOR 957366

1шт.

50

A852133

Adapter Fitting

2шт.

CH11570

O-Ring

SUB FOR 4509180

2шт.

51

A852333

Elbow Fitting

2шт.

CH11570

O-Ring

SUB FOR 4509180

2шт.

52

4210224

Strainer

1шт.

53

4456457

Rod

1шт.

54

14M7274

Nut

M10 SUB FOR J950010

3шт.

Выбрано товаров: 45