Запчасти John Deere 35D 257 - LEFT BOOM CYLINDER 3365 HYDRAULIC CYLINDERS

Схема запчастей John Deere 35D - 257 - LEFT BOOM CYLINDER 3365 HYDRAULIC CYLINDERS
FIT
1:1
100%

Артикул

Название

Примечание

Количество

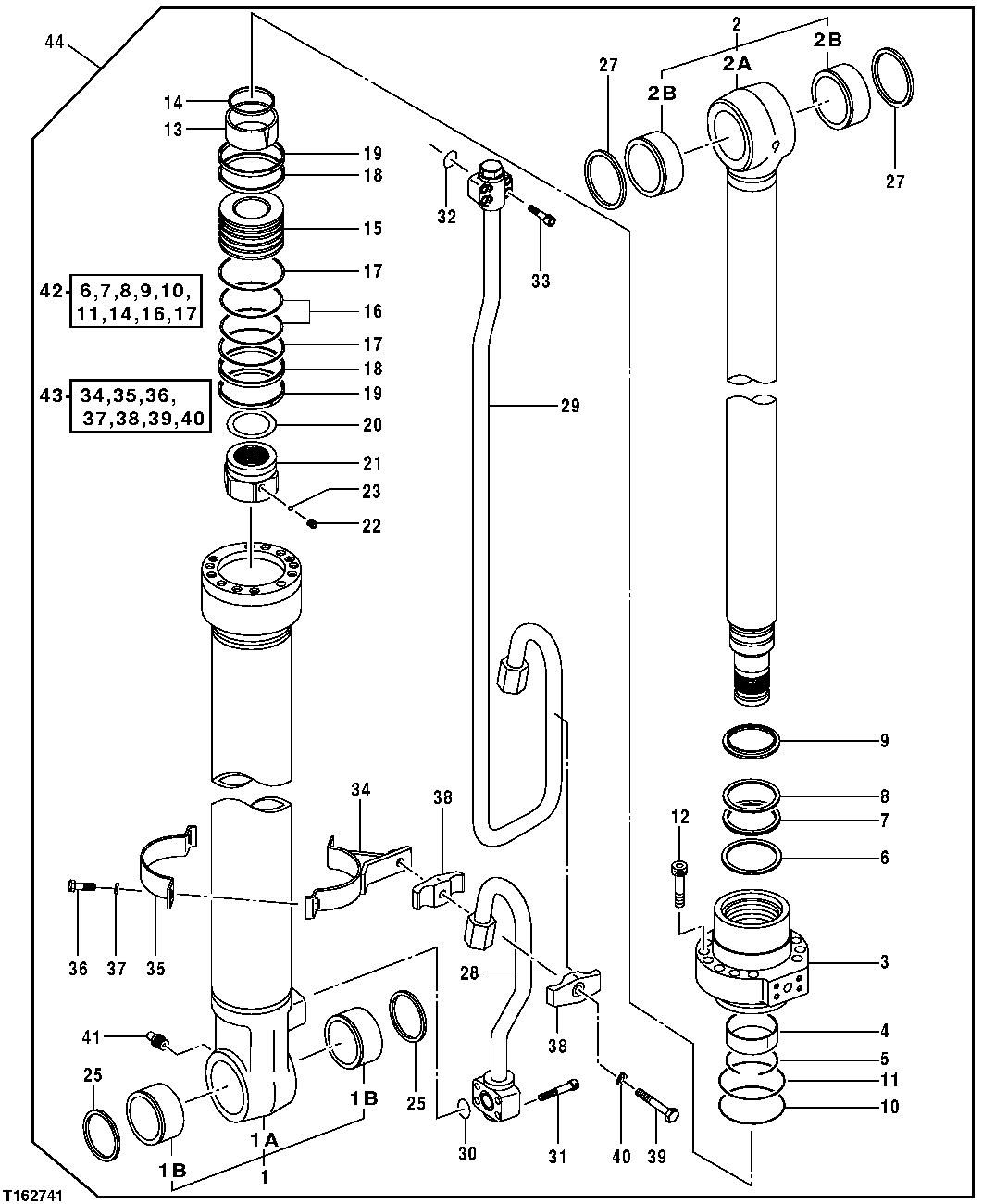
1

0807101

Hydraulic Cylinder Barrel

(SUB FOR AT213976)

1шт.

1A

0807102

Hydraulic Cylinder Barrel

1шт.

1B

4352398

Bushing

2шт.

2

0807009

Rod

1шт.

2A

0807003

Rod

1шт.

2B

4355875

Bushing

2шт.

3

H180210

Hydr. Cylinder Rod Guide

(SUB FOR 0788905)

1шт.

4

T108019

Bushing

1шт.

5

TH104944

Snap Ring

(SUB FOR 0208304)

1шт.

6

AH148786

Seal

1шт.

7

H227912

Seal

(SUB FOR TH104952, 4S00173 OR AT309613)

1шт.

8

AT309614

Back-Up Ring

(SUB FOR TH104953, 4S00174)

1шт.

9

H155911

Seal

1шт.

10

AT264342

O-Ring

(SUB FOR T108019, TH100125)

1шт.

11

AT264359

Back-Up Ring

(SUB FOR TH104944, TH104929)

1шт.

12

19M8931

Screw

M16 X 75 (SUB FOR TH104929)

12шт.

13

H155920

Ring

1шт.

14

H155919

Seal

1шт.

15

H155921

Piston

1шт.

16

AT264355

Seal

(SUB FOR TH104922)

1шт.

17

H155916

Back-Up Ring

2шт.

18

H227906

Ring

(SUB FOR 0788908)

2шт.

19

AT264356

Wear Ring

(SUB FOR 4S00158, TH104923)

1шт.

20

T108030

Shim

(SUB FOR 0309013)

1шт.

21

0788907

Nut

1шт.

22

22M6684

Set Screw

M12 X 12

1шт.

23

T13624

Ball

1шт.

25

TH102446

Seal

2шт.

27

TH102445

Seal

1шт.

28

0807106

Pipe

(SUB FOR 0807103 ) (ALSO ORDER (4) 19M8448)

1шт.

29

0807107

Oil Line

(SUB FOR 0807104)

1шт.

19M8337

Screw

M10 X 30

4шт.

30

AT264348

O-Ring

(SUB FOR TH102788)

1шт.

31

M800636

Screw

M12 X 55 (USE WITH 0807103)

4шт.

19M8448

Screw

M12 X 35 (USE WITH 0807106)

4шт.

32

AT264360

O-Ring

(SUB FOR TH104930)

1шт.

33

19M8213

Screw

M10 X 50

4шт.

34

0807008

Band

1шт.

35

T108048

Clamp

(SUB FOR 0309314)

1шт.

36

AT153924

Bolt

M10 X 35

2шт.

37

12M7066

Lock Washer

10 mm

2шт.

38

0236915J

Holder

(SUB FOR TH102783 OR 0236915)

2шт.

39

19M4789

Cap Screw

M14 X 80

1шт.

40

12H317

Lock Washer

9/16"

1шт.

41

TH100074

Lubrication Fitting

1шт.

42

AH225136

Hydraulic Cylinder Kit

(SUB FOR 4448398 OR 4661485)

1шт.

43

0807007

Band Kit

(SUB FOR TH9175423)

1шт.

44

9196649

Hydraulic Cylinder

1шт.

Выбрано товаров: 0