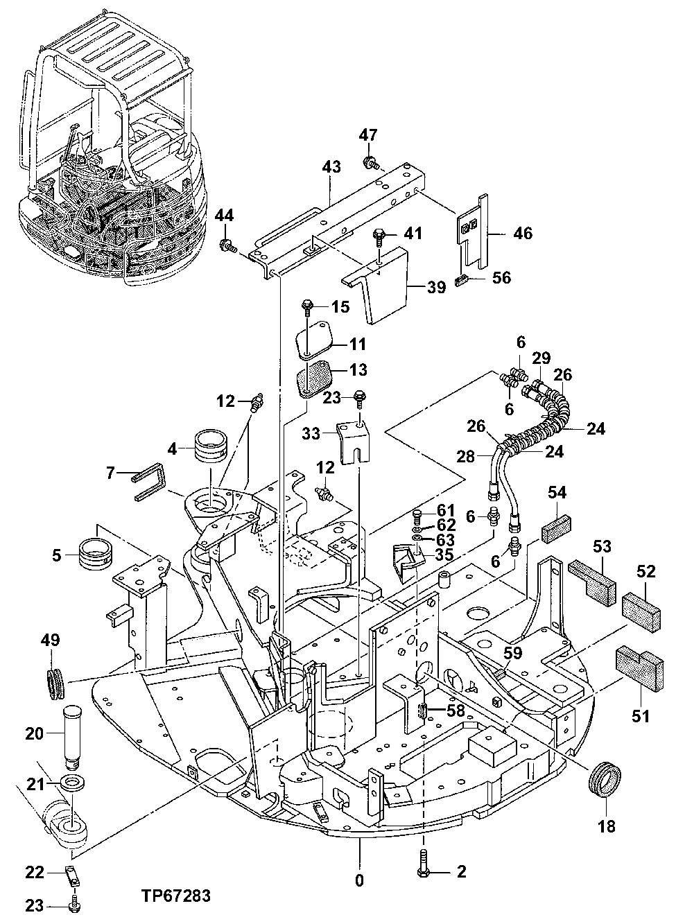
Запчасти John Deere 5ZTS 64 - MAIN FRAME 1740 FRAME INSTALLATION

Схема запчастей John Deere 5ZTS - 64 - MAIN FRAME 1740 FRAME INSTALLATION
FIT
1:1
100%

Артикул

Название

Примечание

Количество

0

TH5006491

Frame

(CONVENIENCE ASSEMBLY)

1шт.

2

19M7363

Cap Screw

M12 X 60

24шт.

4

4332758

Bushing

(SUB FOR TH4332758)

1шт.

5

4418396

Bushing

(SUB FOR TH4418396)

1шт.

6

4331915

Fitting

(SUB FOR TH4331915)

4шт.

7

4428574

Seal

(SUB FOR TH4428574)

1шт.

11

4255799

Cover

(SUB FOR AT154929)

1шт.

12

TH100074

Lubrication Fitting

4шт.

13

4161735

Gasket

(SUB FOR AT130379)

1шт.

15

24M7096

Washer

10.500 X 18 X 1.600 mm

2шт.

19M7402

Cap Screw

M10 X 25

2шт.

12M7064

Lock Washer

5 mm

2шт.

18

4338863

Bushing

(SUB FOR TH4338863)

1шт.

20

4418392

Pin

(SUB FOR TH4418392)

1шт.

21

4623760

Spacer

(SUB FOR TH4359165 ) (SUB FO R 4359165, THIS APPLICATION)

1шт.

22

4344313

Plate

(SUB FOR TH4344313)

1шт.

23

12M7058

Lock Washer

12 mm

4шт.

19M8011

Cap Screw

M12 X 30

4шт.

H77698

Tie Band

(SUB FOR M88199)

4шт.

24

H77698

Tie Band

(SUB FOR TH102001)

2шт.

26

4428575

Hose Guard

(SUB FOR TH4428575)

2шт.

28

4428745

Hydraulic Hose

(SUB FOR TH4428745)

1шт.

29

4428744

Hydraulic Hose

(SUB FOR TH4428744)

1шт.

33

4324636

Bracket

(SUB FOR TH4324636)

1шт.

35

9755914

Bracket

1шт.

9753555

Bracket

1шт.

39

8075593

Bracket

(SUB FOR TH8075593)

1шт.

41

19M7407

Cap Screw

M8 X 25

1шт.

12M7056

Lock Washer

8 mm

1шт.

43

8077848

Bracket

(SUB FOR TH8077848)

1шт.

44

19M7493

Cap Screw

M12 X 40

3шт.

24M7044

Washer

13 X 20 X 2 mm

3шт.

12M7058

Lock Washer

12 mm

3шт.

46

8074143

Bracket

(SUB FOR TH8074143)

1шт.

47

19M7407

Cap Screw

M8 X 25

2шт.

24M7055

Washer

8.400 X 16 X 1.600 mm

2шт.

12M7056

Lock Washer

8 mm

2шт.

49

4255567

Bushing

(SUB FOR TH4255567)

1шт.

51

4427310

Isolator

(SUB FOR TH4427310)

1шт.

52

4427311

Isolator

(SUB FOR TH4427311)

1шт.

53

4427312

Isolator

(SUB FOR TH4427312)

1шт.

54

4427313

Isolator

(SUB FOR TH4427313)

1шт.

56

4429224

Isolator

(SUB FOR TH4429224)

1шт.

58

4431046

Isolator

(SUB FOR TH4431046)

1шт.

59

TH14431050

Rubber Mount

1шт.

61

19M7938

Cap Screw

M10 X 20

1шт.

62

12M7066

Lock Washer

10 mm

1шт.

63

24M7028

Washer

10.500 X 20 X 2 mm (SUB FOR 12M7096)

1шт.

Выбрано товаров: 48