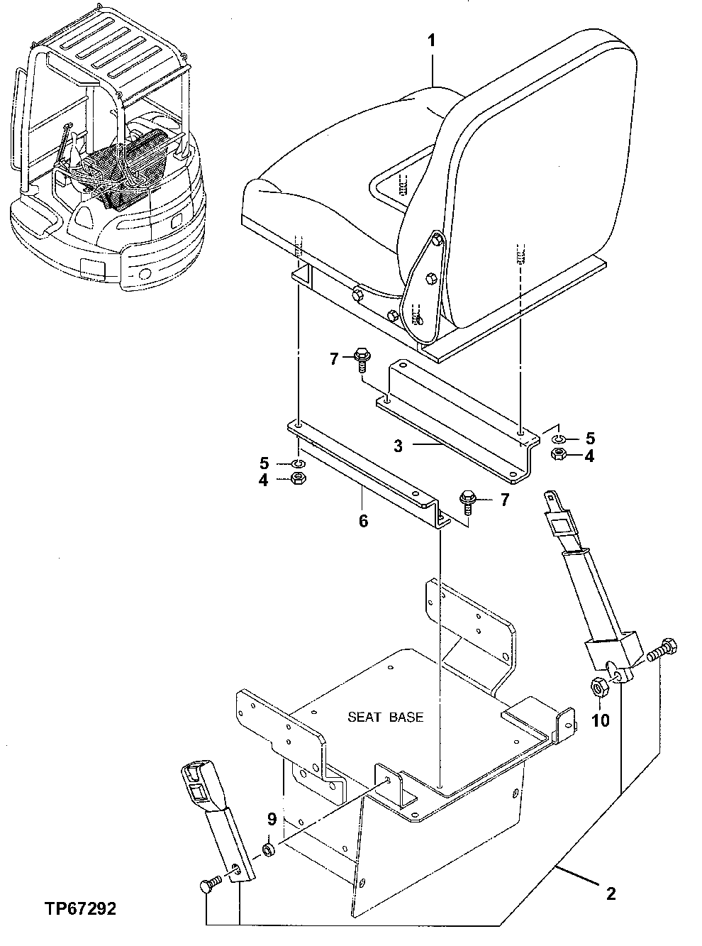
Запчасти John Deere 5ZTS 79 - SEAT 1821 SEAT AND SEAT BELT

Схема запчастей John Deere 5ZTS - 79 - SEAT 1821 SEAT AND SEAT BELT
FIT
1:1
100%

Артикул

Название

Примечание

Количество

1

4355591

Seat

(SUB FOR AT251274)

1шт.

2

4384239

Seat Belt

(SUB FOR AT215572)

1шт.

3

4429603

Bracket

(SUB FOR TH4429603)

1шт.

4

14M7273

Nut

M8

4шт.

5

12M7056

Lock Washer

8 mm

4шт.

6

4429447

Bracket

(SUB FOR TH4429447)

1шт.

7

19M7881

Screw

M8 X 20

4шт.

12M7056

Lock Washer

8 mm

4шт.

9

4372200

Spacer

(SUB FOR P60915)

1шт.

10

14H1047

Nut

7/16"

1шт.

Выбрано товаров: 10