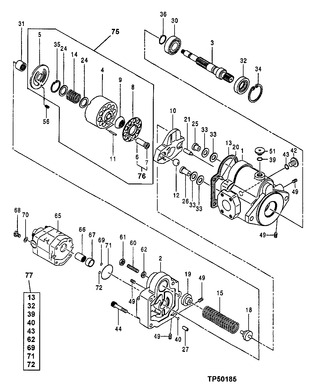
Запчасти John Deere 5ZTS 95 - MAIN HYDRAULIC PUMP COMPONENTS 2160 VEHICLE HYDRAULICS

Схема запчастей John Deere 5ZTS - 95 - MAIN HYDRAULIC PUMP COMPONENTS 2160 VEHICLE HYDRAULICS
FIT
1:1
100%

Артикул

Название

Примечание

Количество

1

Housing

1шт.

2

Housing

1шт.

3

0733201

Shaft

(SUB FOR TH0733201)

1шт.

4

Cylinder Block

1шт.

5

Plate

1шт.

6

Piston

10шт.

7

Shoe

10шт.

8

0733202

Plate

(SUB FOR TH0733202)

1шт.

9

0630604

Coupling

(SUB FOR TH0630604)

1шт.

10

0749301

Plate

(SUB FOR TH0749301)

1шт.

11

0655905

Needle Roller

(SUB FOR TH0655905)

3шт.

12

0647307

Ball

(SUB FOR TH0647307)

2шт.

13

0477001

Gasket

(A) (SUB FOR TH0477001)

1шт.

14

0655906

Spring

(SUB FOR TH0655906)

1шт.

15

0733204

Spring

(SUB FOR TH0733204)

1шт.

18

0733205

Holder

(SUB FOR TH0733205)

1шт.

19

0733206

Guide

(SUB FOR TH0733206)

1шт.

20

0429816

Dowel Pin

(SUB FOR TH0429816)

1шт.

21

0749302

Pin

(SUB FOR TH0749302)

1шт.

24

0630614

Retainer

(SUB FOR TH0630614)

2шт.

25

0749303

Pin

(SUB FOR TH0749303)

1шт.

26

0655911

Pin

(SUB FOR TH0655911)

1шт.

27

0733209

Pin

(SUB FOR TH0733209)

1шт.

30

0477002

Ball Bearing

(SUB FOR TH0477002)

1шт.

31

0429818

Needle Bearing

(SUB FOR TH0429818)

1шт.

32

0630618

Seal

(A) (SUB FOR TH0630618)

1шт.

33

0647314

Spring

(SUB FOR TH0647314)

4шт.

34

40M7216

Snap Ring

1шт.

35

40M7046

Snap Ring

1шт.

36

40M7195

Snap Ring

1шт.

39

M800650

Packing

(A)

1шт.

40

CH10568

Packing

(A)

2шт.

42

0630505

Plug

(SUB FOR 0733210)

1шт.

43

M800650

Packing

(A)

1шт.

44

0429824

Bolt

(SUB FOR TH0429824)

5шт.

49

0429712

Plug

(SUB FOR TH0429712)

5шт.

51

0630505

Plug

(SUB FOR 0733210)

1шт.

56

0429826

Spring Pin

(SUB FOR TH0429826)

1шт.

60

0630508

Cap Screw

(SUB FOR TH0630508)

1шт.

61

14M7273

Nut

M8 (SUB FOR TH0630509 ) (SUB FOR 0630509)

1шт.

62

0630510

Sealing Washer

(A) (SUB FOR TH0630510)

1шт.

65

0847402

Pump

(SUB FOR 0749304)

1шт.

66

0749305

Coupling

(SUB FOR TH0749305)

1шт.

67

0733213

Bushing

(SUB FOR TH0733213)

1шт.

68

0749306

Bolt

(SUB FOR TH0749306)

2шт.

69

CH11568

Packing

(A)

1шт.

70

0749307

Washer

(SUB FOR TH0749307)

2шт.

71

0733215

O-Ring

(A) (SUB FOR TH0733215)

1шт.

72

4506408

O-Ring

(A) (SUB FOR TH101490)

1шт.

75

0749308

Piston Kit

(SUB FOR TH0749308)

1шт.

76

0733217

Piston

(SUB FOR TH0733217)

1шт.

77

0733218

Seal Kit

(SUB FOR TH0733218)(CONTA INS ALL PARTS MARKED (A))

1шт.

Выбрано товаров: 52