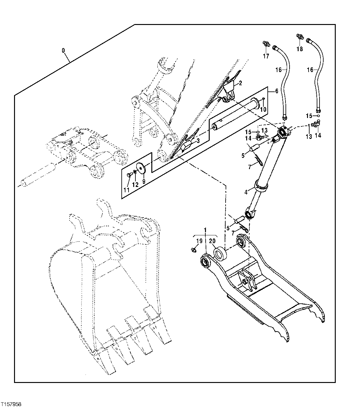
Запчасти John Deere 5ZTS 119 - HYDRAULIC BUCKET CLAMP (REPLACEMENT) 3302 BUCKETS, TEETH, SHANKS AND SIDECUTTERS

Схема запчастей John Deere 5ZTS - 119 - HYDRAULIC BUCKET CLAMP (REPLACEMENT) 3302 BUCKETS, TEETH, SHANKS AND SIDECUTTERS
FIT
1:1
100%

Артикул

Название

Примечание

Количество

0

Clamp

WHOLEGOODS (HYDRAULIC BUCKET) ( AT28019 3 NO LONGER AVAILABLE - FURNISH AT308602)

1шт.

1

AT317614

Clamp

(SUB FOR AT191404 OR AT309146)

1шт.

2

T185261

Plate

1шт.

3

T185262

Plate

1шт.

4

AH216639

Hydraulic Cylinder

(COMPONENTS ON ANOTHER PAGE) (A LSO ORDER 38H1309 AND AT322165 ) (SUB FOR AT191402 OR AT309145)

1шт.

5

T185222

Pin

2шт.

6

T185276

Pin

1шт.

7

AT260407

Spring Locking Pin

2шт.

9

L77320

Washer

13 X 72 X 8 mm (0.512" X 2.835" X 0.315")

1шт.

10

AT260410

Lubrication Fitting

1шт.

11

19H2472

Cap Screw

1/2" X 1"

1шт.

12

12H301

Lock Washer

1/2"

1шт.

13

R28782

O-Ring

2шт.

14

38H1435

Elbow Fitting

2шт.

15

T77613

O-Ring

2шт.

16

AT280275

Hydraulic Hose

(1/2 INCH X 37 INCH X 11/16 INCH)

2шт.

17

M131862

Hyd. Quick-Connect Coupler

FEMALE

1шт.

18

M131863

Hydr. Quick Coupler Plug

MALE

1шт.

19

AT260410

Lubrication Fitting

2шт.

20

T185277

Bushing

2шт.

Выбрано товаров: 20