Качественные детали и логистика
Оригинальные и аналоговые запчасти с доставкой по России, Казахстану и Беларуси
©2022 PartSell ООО "Система" ИНН 2463123282 ОГРН 1212400004838
Центральный офис: г. Красноярск, Академика Киренского, д.87, пом.4
Телефон: 8 (800) 777-65-74 Email: zakaz@partsell.ru
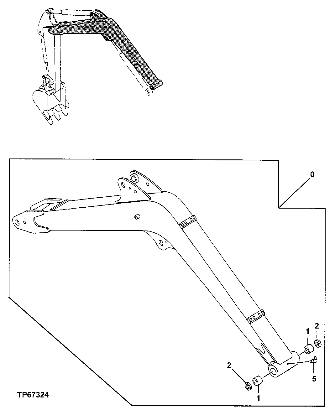
151 - BOOM
№
Артикул
Название
Примечание
Количество
0
9178092
Excavator Boom
(SUB FOR TH9178092)
1шт.
1
4340369
Bushing
(SUB FOR AT251239)
2шт.
2
AT318033
Seal
(SUB FOR 4117955, AT251242, 4347251)
5
T116334
Lubrication Fitting
Выбрано товаров: 0