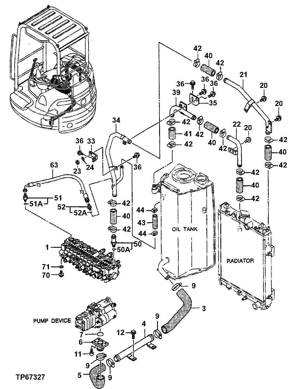
Запчасти John Deere 5ZTS 153 - OIL COOLER PIPINGS 3360 HYDRAULIC SYSTEM

Схема запчастей John Deere 5ZTS - 153 - OIL COOLER PIPINGS 3360 HYDRAULIC SYSTEM
FIT
1:1
100%

Артикул

Название

Примечание

Количество

1

Hyd Actuated Control Valve

(SUB FOR TH4429010)( 442 9010 NO LONGER AVAILABLE)

1шт.

Hyd Actuated Control Valve

(SUB FOR 4449764)( 4447 583 NO LONGER AVAILABLE)

1шт.

3

3085283

Hose

(SUB FOR TH3085283)

1шт.

4

8075555

Line

(SUB FOR TH8075555)

1шт.

5

3085282

Hose

(SUB FOR TH3085282)

1шт.

6

9750291

Line

(SUB FOR TH9752265 OR 9752265)

1шт.

7

CH14701

O-Ring

39.400 X 3.100 mm (1.551" X 0.122")

1шт.

9

TY22470

Clamp

(SUB FOR AR65293)

4шт.

11

19M8440

Screw

M10 X 25

4шт.

12

19M7938

Cap Screw

M10 X 20

2шт.

24M7096

Washer

10.500 X 18 X 1.600 mm

2шт.

12M7066

Lock Washer

10 mm

2шт.

20

19M7881

Screw

M8 X 20

4шт.

24M7055

Washer

8.400 X 16 X 1.600 mm

4шт.

12M7056

Lock Washer

8 mm

4шт.

21

8077126

Line

(SUB FOR TH8077126)

1шт.

22

9753131

Line

(SUB FOR TH9753131)

1шт.

23

14M7273

Nut

M8

1шт.

24

12M7036

Lock Plate

1шт.

33

4429514

Bracket

(SUB FOR TH4429514)

1шт.

34

8075940

Tube

(SUB FOR TH8075940)

1шт.

35

4419363

Bracket

(SUB FOR TH4419363)

1шт.

36

19M7881

Screw

M8 X 20

5шт.

24M7055

Washer

8.400 X 16 X 1.600 mm

5шт.

12M7056

Lock Washer

8 mm

5шт.

39

8076186

Line

(SUB FOR TH8076186)

1шт.

40

4120247

Hose

(SUB FOR AT251162)

5шт.

41

4120247

Hose

(SUB FOR 4418644)

1шт.

42

TY22467

Clamp

(SUB FOR AT145650)

12шт.

43

4075008

Hose

(SUB FOR AT251157)

1шт.

44

TY22467

Clamp

(SUB FOR AT145650)

2шт.

50

4420493

Fitting

(SUB FOR TH4420493)

1шт.

50A

4506418

O-Ring

17.800 X 2.400 mm (0.701" X 3/32") (SUB FOR U46489)

1шт.

51

4408125

Adapter Fitting

(SUB FOR AT251455)

1шт.

51A

4506418

O-Ring

17.800 X 2.400 mm (0.701" X 3/32") (SUB FOR U46489)

1шт.

52

4042032

Adapter Fitting

(SUB FOR TH101294)

1шт.

52A

4506418

O-Ring

17.800 X 2.400 mm (0.701" X 3/32") (SUB FOR U46489)

1шт.

63

4428033

Hydraulic Hose

(T1) (SUB FOR TH4428033)

1шт.

70

19M7402

Cap Screw

M10 X 25

4шт.

12M7066

Lock Washer

10 mm

4шт.

71

24M7096

Washer

10.500 X 18 X 1.600 mm

4шт.

Выбрано товаров: 41