Запчасти John Deere 5ZTS 169 - BOOM CYLINDER 3360 HYDRAULIC SYSTEM

Схема запчастей John Deere 5ZTS - 169 - BOOM CYLINDER 3360 HYDRAULIC SYSTEM
FIT
1:1
100%

Артикул

Название

Примечание

Количество

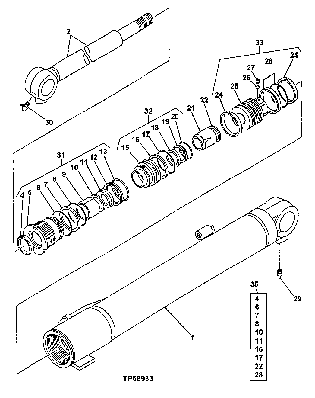
1

0745101

Tube

SUB FOR TH0745101

1шт.

2

0745002

Hydraulic Cylinder Rod

SUB FOR TH0745002

1шт.

4

0662901

Seal

SUB FOR AT251898

1шт.

5

0656703

Hydr. Cylinder Rod Guide

SUB FOR AT251860

1шт.

6

CH17160

Packing

SUB FOR TH0478712 OR 0478712

1шт.

7

0405207

Ring

SUB FOR TH0480904

1шт.

8

O-Ring

TH0656705 NOT AVAILABLE FOR SERVICE

1шт.

9

0843809

Bushing

SUB FOR AT251760, 0478703

1шт.

10

0663102

Back-Up Ring

SUB FOR TH0663102

1шт.

11

0656704

Packing

SUB FOR TH0656704

1шт.

12

0480905

Ring

SUB FOR AT251772

1шт.

13

0480906

Ring

SUB FOR AT251773

1шт.

15

0736103

Retainer

SUB FOR TH0736103

1шт.

16

0405207

Ring

SUB FOR TH0405207

2шт.

17

A811070

O-Ring

SUB FOR TH0656707 OR 0656707

1шт.

18

0478713

Ring

SUB FOR AT251761

1шт.

19

0478714

Spacer

SUB FOR AT251762

1шт.

20

0478715

Ring

SUB FOR AT251763

1шт.

21

0745006

Bearing

SUB FOR TH0745006

1шт.

22

0656710

Back-Up Ring

SUB FOR AT251864

1шт.

24

0380914

Ring

SUB FOR AT251774

2шт.

25

0656708

Piston

SUB FOR AT251862

1шт.

26

0370110

Ball

SUB FOR AT251764, 0478719

1шт.

27

ER046420

Set Screw

SUB FOR AT251771, SUB FOR 0479214

1шт.

28

0380915

Ring

SUB FOR AT200157

1шт.

29

0429920

Lubrication Fitting

SUB FOR TH0429920

1шт.

30

T116334

Lubrication Fitting

SUB FOR TH0271312

1шт.

31

0745003

Hydr. Cylinder Rod Guide

SUB FOR TH0745003

1шт.

32

0745004

Retainer

SUB FOR TH0745004

1шт.

33

0745005

Piston

SUB FOR TH0745005

1шт.

35

0843613

Seal Kit

SUB FOR AT251867, 0656714

1шт.

Выбрано товаров: 31