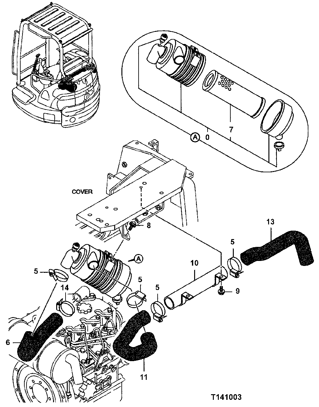
Запчасти John Deere 5ZTS 47 - AIR CLEANER 0520 Intake System

Схема запчастей John Deere 5ZTS - 47 - AIR CLEANER 0520 Intake System
FIT
1:1
100%

Артикул

Название

Примечание

Количество

1

4402033

Air Cleaner

SUB FOR TH4402033

1шт.

5

TY22472

Clamp

SUB FOR AT145651

4шт.

6

3080635

Suction Hose

SUB FOR TH3080635

1шт.

7

M131802

Filter Element

PRIMARY ELEMENT SUB FOR TH4417516, 4417516

1шт.

AT308571

Filter Element

SECONDARY ELEMENT SUB FOR A T251223 OR 4311871; OPTIONAL

1шт.

8

19M7881

Screw

M8 X 20

2шт.

24M7055

Washer

8.400 X 16 X 1.600 mm

2шт.

12M7056

Lock Washer

8 mm

2шт.

9

19M7402

Cap Screw

M10 X 25

2шт.

24M7096

Washer

10.500 X 18 X 1.600 mm

2шт.

12M7066

Lock Washer

10 mm

2шт.

10

Line

8076027 NLA; SUB FOR TH8076027

1шт.

11

3085711

Suction Hose

SUB FOR TH3085711

1шт.

13

4427631

Hose

SUB FOR TH4427631

1шт.

14

TY22470

Clamp

SUB FOR AR65293

1шт.

Выбрано товаров: 15