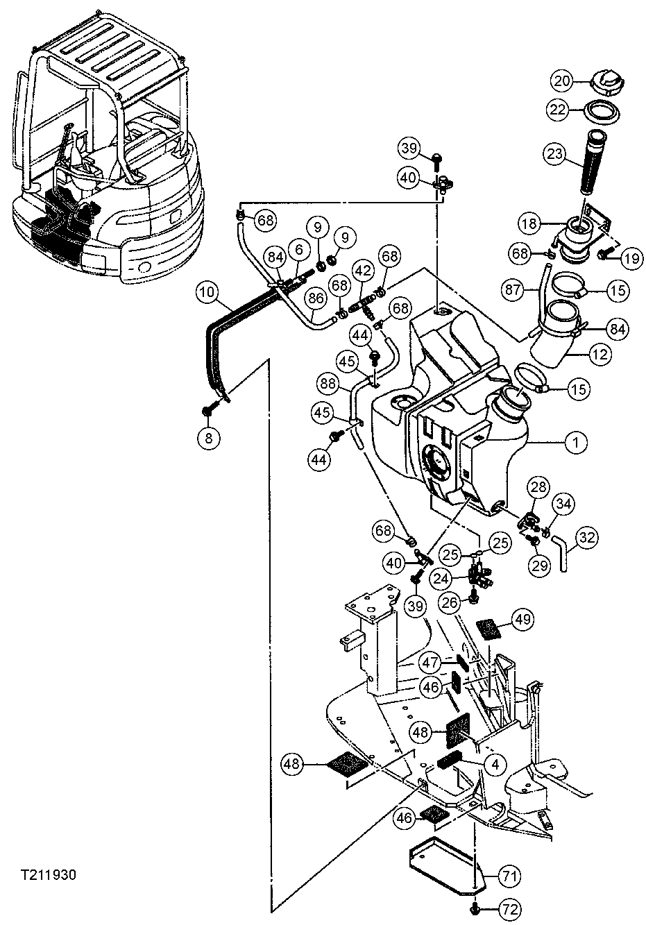
Запчасти John Deere 5ZTS 51 - FUEL TANK 0560 EXTERNAL FUEL SUPPLY SYSTEMS

Схема запчастей John Deere 5ZTS - 51 - FUEL TANK 0560 EXTERNAL FUEL SUPPLY SYSTEMS
FIT
1:1
100%

Артикул

Название

Примечание

Количество

1

4422946

Fuel Tank

SUB FOR TH4422946

1шт.

4

4392474

Isolator

SUB FOR AT251345

1шт.

6

9752590

Strap

SUB FOR TH9752590

1шт.

8

19M7881

Screw

M8 X 20

1шт.

24M7055

Washer

8.400 X 16 X 1.600 mm

1шт.

12M7056

Lock Washer

8 mm

1шт.

9

14M7274

Nut

M10

2шт.

10

4358422

Isolator

SUB FOR TH4358422

1шт.

12

4417330

Hose

SUB FOR TH4417330

1шт.

15

TY22488

Hose Clamp

SUB FOR AH104837

2шт.

18

8077926

Filler Neck

SUB FOR TH8077926

1шт.

19

19M7881

Screw

M8 X 20

2шт.

24M7055

Washer

8.400 X 16 X 1.600 mm

2шт.

12M7056

Lock Washer

8 mm

2шт.

20

4363380

Filler Cap

SUB FOR AT251288

1шт.

4460931

Seal

1шт.

22

4392120

Boot

1шт.

23

4279093

Filter

SUB FOR AT251192

1шт.

24

4355689

Adapter Fitting

SUB FOR AT251278

1шт.

25

4202987

O-Ring

SUB FOR AT251170

2шт.

26

21M7347

Screw

M5 X 14

3шт.

12M7006

Lock Washer

6 mm

3шт.

28

4358947

Drain Valve

SUB FOR AT251283

1шт.

29

19M8425

Cap Screw

M6 X 16

2шт.

24M7267

Washer

6.400 X 11 X 1.600 mm

4шт.

12M7006

Lock Washer

6 mm

2шт.

32

Bulk Hose

SUB FOR TH4427944, TH4427945 OR 442 7945; MAKE FROM TY22551, CTL 610 mm

1шт.

34

4351486

Hose Clamp

SUB FOR AT251251

1шт.

39

19M8425

Cap Screw

M6 X 16

4шт.

12M7006

Lock Washer

6 mm

4шт.

40

4608249

Elbow Fitting

SUB FOR 4400756 OR AT251416

2шт.

42

4402364

Fitting

SUB FOR AT251431

1шт.

44

J090612

Bolt

SUB FOR AP34403

2шт.

45

4420036

Clamp

(SUB FOR TH4420036

2шт.

46

4420296

Isolator

SUB FOR TH4420296

2шт.

47

4420297

Isolator

SUB FOR TH4420297

1шт.

48

4420298

Isolator

SUB FOR TH4420298

2шт.

49

4420314

Isolator

SUB FOR TH4420314

1шт.

68

4351486

Hose Clamp

SUB FOR AT251251

6шт.

71

4423704

Cover

SUB FOR TH4423704

1шт.

72

19M7402

Cap Screw

M10 X 25

2шт.

24M7096

Washer

10.500 X 18 X 1.600 mm

2шт.

12M7066

Lock Washer

10 mm

2шт.

84

H77698

Tie Band

SUB FOR 4323613

1шт.

86

Bulk Hose

SUB FOR TH4427945 OR 4427945; MAKE FROM TY22551, CTL 610 mm

1шт.

87

Bulk Hose

SUB FOR TH4427946, TH4427945 OR 442 7945; MAKE FROM TY22551, CTL 610 mm

1шт.

88

Bulk Hose

SUB FOR TH4427947, TH4427945 OR 442 7945; MAKE FROM TY22551, CTL 610 mm

1шт.

Выбрано товаров: 47