Запчасти John Deere 5ZTS 58 - ELECTRIC PARTS 1674 WIRING HARNESS AND SWITCHES

Схема запчастей John Deere 5ZTS - 58 - ELECTRIC PARTS 1674 WIRING HARNESS AND SWITCHES
FIT
1:1
100%

Артикул

Название

Примечание

Количество

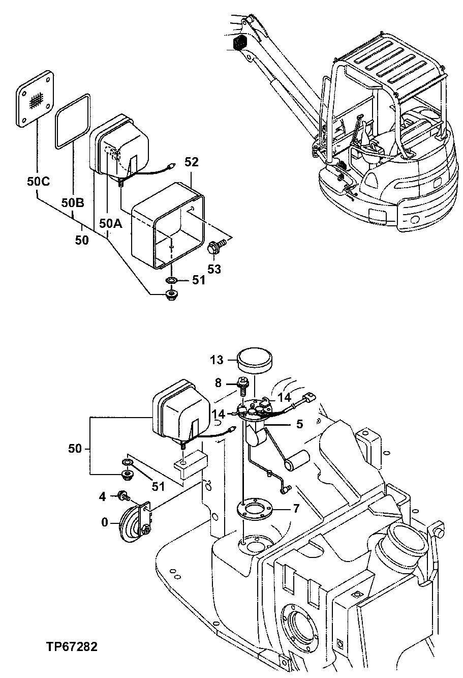
1

4349452

Horn

(SUB FOR AT251249)

1шт.

4

19M7932

Cap Screw

M8 X 16

1шт.

24M7055

Washer

8.400 X 16 X 1.600 mm

1шт.

12M7056

Lock Washer

8 mm

1шт.

5

4424451

Fuel Sender

(SUB FOR TH4424451)

1шт.

7

4376524

Gasket

(SUB FOR AT251312)

1шт.

8

19M7640

Cap Screw

M5 X 12

5шт.

12M7064

Lock Washer

5 mm

5шт.

13

4432968

Cover

(SUB FOR TH4432968)

1шт.

14

4348817

Clip

(SUB FOR TH4348817)

2шт.

50

4361457

Lamp

(SUB FOR AT251285)

2шт.

50A

AT130104

Bulb

(SUB FOR TH4375215 OR 4375215)

1шт.

50B

4428123

Gasket

(SUB FOR TH4428123)

1шт.

50C

4428124

Lens

(SUB FOR TH4428124)

1шт.

51

12M7032

Lock Washer

8.400 mm

2шт.

52

4457415J

Guard

(SUB FOR 8069080 OR 4457415)

1шт.

53

19M8011

Cap Screw

M12 X 30

1шт.

24M7044

Washer

13 X 20 X 2 mm

1шт.

12M7058

Lock Washer

12 mm

1шт.

Выбрано товаров: 19