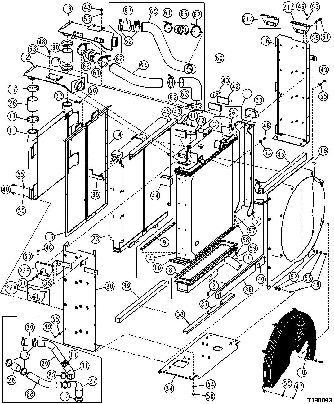
Запчасти John Deere 50CLC 84 - RADIATOR, OIL COOLER AND FAN GUARD 0510 ENGINE COOLING SYSTEMS

Схема запчастей John Deere 50CLC - 84 - RADIATOR, OIL COOLER AND FAN GUARD 0510 ENGINE COOLING SYSTEMS
FIT
1:1
100%

Артикул

Название

Примечание

Количество

1

AT190734

Radiator

1шт.

2

AT13740

Drain Valve

1шт.

3

AT173610

Filler Cap

RADIATOR CAP

1шт.

4

AT197012

Core

CORE AND HEADER ASSEMBLY

1шт.

5

AT197013

Bracket

SIDE ASSEMBLY

2шт.

6

AT197014

Fuel Tank

TOP TANK ASSEMBLY

1шт.

7

AT197015

Fuel Tank

BOTTOM TANK ASSEMBLY

1шт.

8

AT197016

Gasket

2шт.

9

AT197017

Bar

BOLTING BAR

1шт.

10

AT197018

Bar

TAPPED BAR

1шт.

11

AT190735

Air Cooler

CHARGE AIR COOLER

1шт.

12

AT316451

Air Plenum

(SUB FOR AT190754)RH

1шт.

13

AT316452

Air Plenum

(SUB FOR AT190755)LH

1шт.

14

AT190756

Screen

TRASHSCREEN, LEFT

1шт.

15

AT190757

Screen

TRASHSCREEN, RIGHT

1шт.

16

AT190823

Support

LH

1шт.

17

AT191294

Clamp

11шт.

18

AT196820

Shield

(SUB FOR AT193282)

1шт.

19

AT196821

Shroud

(SUB FOR AT190733)

1шт.

20

AT196898

Support

RH

1шт.

21A

AT196691

Angle

3 Bolt

1шт.

21B

AT197020

Angle

5 Bolt

1шт.

22A

AT196645

Angle

(3-BOLT)

1шт.

22B

AT197021

Angle

(5-BOLT)

1шт.

23

AT197820

Oil Cooler

1шт.

25

AT191295

Clamp

1шт.

26

T184652

Hose

2шт.

27

T185076

Hose

1шт.

28

T186603

Tube

1шт.

29

T186605

Tube

1шт.

30

T190412

Hose

2шт.

31

T190413

Hose

1шт.

32

T160108

Wing Screw

2шт.

33

T190218

Isolator

LEFT TOP RADIATOR BAFFLE

1шт.

34

T184703

Channel

1шт.

35

T184721

Deflector

LEFT SUPPORT BAFFLE

1шт.

36

T184722

Deflector

LOWER RADIATOR BAFFLE

1шт.

37

T184723

Deflector

LOWER RIGHT RADIATOR BAFFLE

1шт.

38

T184724

Deflector

LOWER LEFT RADIATOR BAFFLE

1шт.

39

T184725

Deflector

LOWER OIL COOLER BAFFLE

1шт.

40

T184742

Deflector

LOWER RIGHT BAFFLE

1шт.

41

T184751

Insulator

PLENUM BAFFLE

2шт.

42

T185397

Insulator

AIR PLENUM BAFFLE

2шт.

43

T186689

Deflector

TOP TANK BAFFLE

2шт.

44

T190219

Isolator

RIGHT TOP RADIATOR BAFFLE

1шт.

45

T190744

Isolator

2шт.

46

14M7274

Nut

M10

10шт.

47

19M7550

Cap Screw

M10 X 35

6шт.

48

19M7784

Screw

M10 X 20

20шт.

49

19M7785

Screw

M10 X 25

38шт.

50

19M7789

Screw

M12 X 30

10шт.

51

19M7835

Screw

M10 X 35

4шт.

52

24H1330

Washer

15/32" X 1-3/8" X 7/64"

10шт.

53

24M7239

Washer

10.700 X 21 X 2.500 mm

14шт.

54

24M7240

Washer

13 X 25 X 3 mm

10шт.

55

24M7296

Washer

10.500 X 30 X 2.500 mm

65шт.

56

24M7298

Washer

8.400 X 25 X 2 mm

2шт.

57

14M7273

Nut

M8

52шт.

58

24M7238

Washer

8.700 X 17 X 2 mm

104шт.

59

19M7513

Cap Screw

M8 X 30

52шт.

Выбрано товаров: 60