Качественные детали и логистика
Оригинальные и аналоговые запчасти с доставкой по России, Казахстану и Беларуси
©2022 PartSell ООО "Система" ИНН 2463123282 ОГРН 1212400004838
Центральный офис: г. Красноярск, Академика Киренского, д.87, пом.4
Телефон: 8 (800) 777-65-74 Email: zakaz@partsell.ru
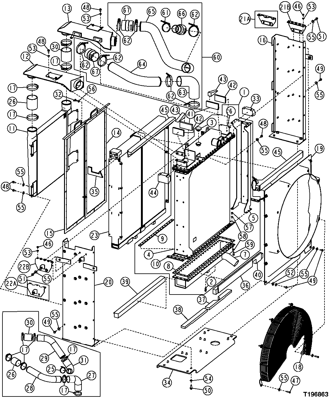
85 - RADIATOR, OIL COOLER AND FAN GUARD (CONTINUED)
№
Артикул
Название
Примечание
Количество
60
Hose Kit
( AT304944 NLA) FURNISH COMPONENTS
1шт.
61
AT301456
Clamp
62
AT305894
7шт.
63
T185076
Hose
CHARGE AIR
64
T186603
Tube
65
T203459
66
T203462
TURBOCHARGER
67
T204217
CHARGE AIR COOLER
2шт.
Выбрано товаров: 0