Запчасти John Deere 50CLC 95 - LABELS AND DECALS 1320 VEHICLE FINISH AND TRIM

Схема запчастей John Deere 50CLC - 95 - LABELS AND DECALS 1320 VEHICLE FINISH AND TRIM
FIT
1:1
100%

Артикул

Название

Примечание

Количество

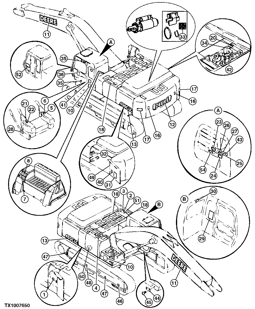
1

R56902

Label

(AIR CLEANER)

1шт.

2

P63448

Label

(PUMP BLEED INFORMATION)

1шт.

3

T101942

Label

(HYDRAULIC OIL ONLY)

1шт.

4

T79632

Label

(DIESEL ONLY)

1шт.

5

4264805

Label

(SUB FOR AT155730)(IGNITION KEY SWITCH)

1шт.

6

Label

(SUB T201519 ) (SUB FOR T159842, THIS APPLI CATION)(OPERATOR PATTERN) (WHITE BACKGROUND)

1шт.

T159843

Label

(RIGHT CONTROL LEVER) (YELLOW BACKGROUND)

1шт.

7

T187644

Label

PRECISION MODE

1шт.

8

T187645

Label

BOOM SELECTOR MODE

1шт.

10

JD5760

Label

(LEAPING DEER)

2шт.

11

T183547

Label

(SUB FOR T187643, THIS AP PLICATION)(DEERE) ON BOOM

2шт.

12

T184023

Label

(DEERE) ON COUNTERWEIGHT

1шт.

13

T187534

Label

MODEL DESIGNATION (450CLC)

1шт.

16

T161266

Reflector

(RED)

2шт.

17

T248455

Label

(SUB FOR T147008, 2035960 OR 2035960R)WARNING (STAY CLEAR)

2шт.

18

H21259

Mat

(ANTI-SKID) OPERATORS DECK

24шт.

20

T146671

Safety Sign

CAUTION (PRESSURIZED) (RADIATOR CAP)

1шт.

21

Label

(SUB T201519 ) (SUB FOR T159841, T HIS APPLICATION)(LEFT CONTROL LEVER - SAE PATTERN) (WHITE BACKGROUND)

1шт.

T159844

Label

(LEFT CONTROL LEVER - JOHN DEE RE PATTERN) (YELLOW BACKGROUND)

1шт.

22

4288971

Label

(SUB FOR AT155729)(ETH ER AID / MOTION CANCEL)

1шт.

23

T187536

Label

ENGINE START/STOP

1шт.

24

T159887

Safety Sign

CAUTION (READ OPERATOR'S MANUAL)

1шт.

25

T146668

Safety Sign

WARNING (CRUSHING ARTICULATION)

1шт.

26

T146667

Safety Sign

DANGER (ELECTROCUTION)

1шт.

27

T190393

Label

(SUB FOR T157809)IMPORTANT (BR EAK WINDOW FOR SECONDARY EXIT)

1шт.

28

4299059

Label

(SUB FOR T138886)(HYDRAULIC LOCKOUT DECAL)

1шт.

29

T187641

Label

(LIFT CAPACITY) (FOR STANDARD BOOM)

1шт.

T203313

Label

(LIFT CAPACITY) (FOR MASS EXCAVATING BOOM)

1шт.

30

T187535

Label

CAUTION (WINDOW LOCK) (FRONT)

1шт.

T190799

Safety Sign

CAUTION (WINDOW LOCK) (FRONT) (FRENCH)

1шт.

T190803

Label

CAUTION (WINDOW LOCK) (FRONT) (SPANISH)

1шт.

31

T208034

Label

(SUB FOR T187640)(PERIODIC MAINTENANCE)

1шт.

32

T149983

Label

IMPORTANT (OIL LEVEL)

1шт.

Выбрано товаров: 33