Запчасти John Deere 50CLC 96 - LABELS AND DECALS (CONTINUED) 1320 VEHICLE FINISH AND TRIM

Схема запчастей John Deere 50CLC - 96 - LABELS AND DECALS (CONTINUED) 1320 VEHICLE FINISH AND TRIM
FIT
1:1
100%

Артикул

Название

Примечание

Количество

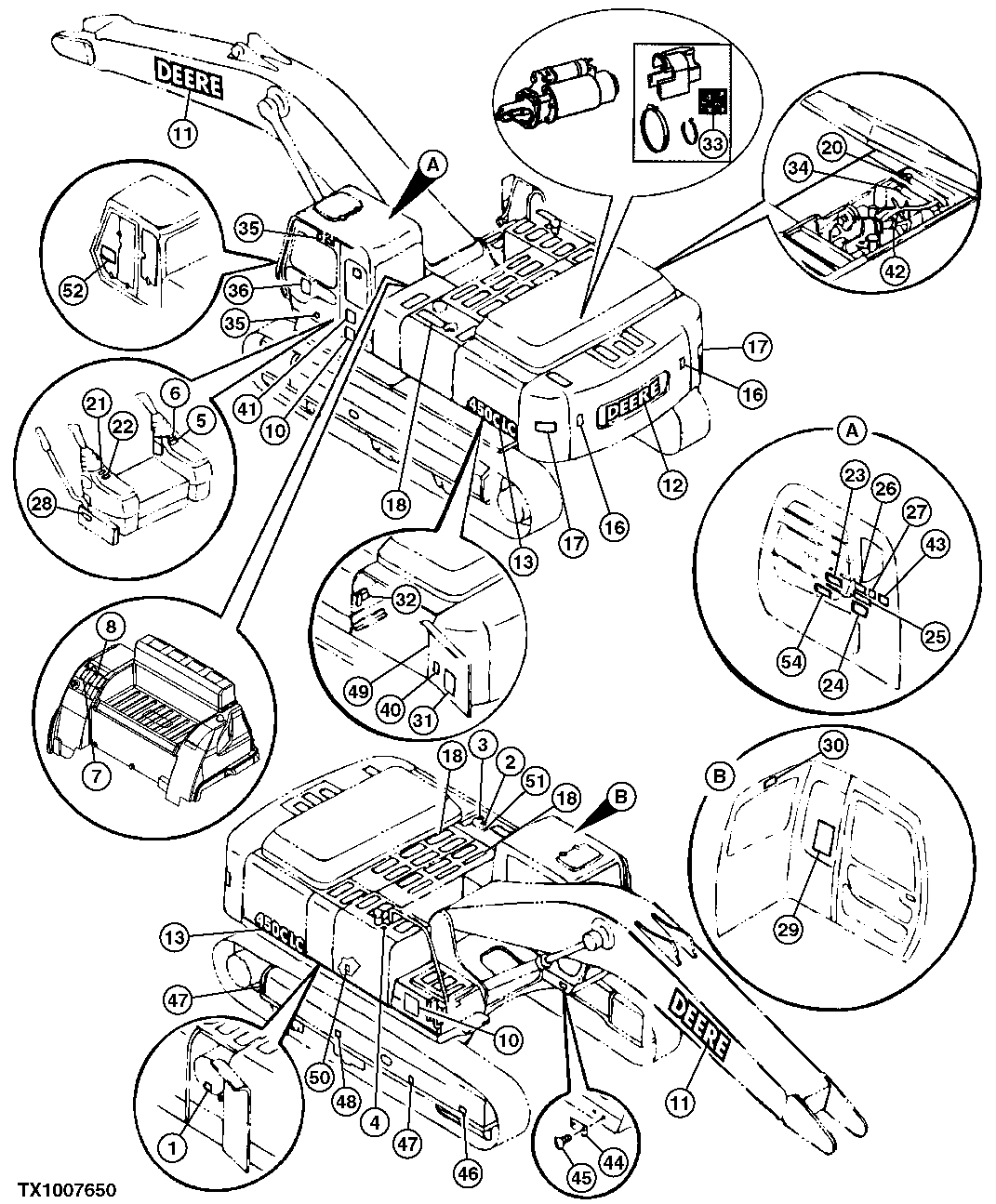
33

T146102

Label

DANGER (BYPASS START)

1шт.

34

T152657

Safety Sign

IMPORTANT (RESERVOIR)

1шт.

35

T187642

Plate

DOOR

2шт.

36

Plate

LIFTING (NLA)

1шт.

40

T152593

Label

IMPORTANT - COUNTERWEIGHT REMOVAL

1шт.

41

Plate

TIPPING PREVENTION (NOT AVAILABLE FOR SERVICE)

1шт.

42

Plate

CAUTION FOR ENGINE OIL FILL (NOT AVAILABLE FOR SERVICE)

1шт.

43

4266386

Label

(SUB FOR T116735)(TRACK FRAME)

1шт.

44

Plate

MACHINE MANUFACTURING NUMBER (NOT AVAILABLE FOR SERVICE)

1шт.

45

37H131

Screw

0.140" X 3/8"

2шт.

46

Plate

AN ARROW (NOT AVAILABLE FOR SERVICE)

1шт.

47

Label

( AT121960 NLA) CHAIN

4шт.

48

Label

( AT122056 NLA)

1шт.

49

4241586

Label

(SUB FOR AT132146)(UP-DOWN)

1шт.

50

T183425

Label

WARNING (ACCUMULATOR)

1шт.

51

T187710

Label

CAUTION (HYDRAULIC RESERVOIR OIL CAP)

1шт.

T190801

Label

CAUTION (HYDRAULIC RESE RVOIR OIL CAP) (FRENCH)

1шт.

T190802

Label

CAUTION (HYDRAULIC RESE RVOIR OIL CAP) (SPANISH)

1шт.

52

T161729

Label

VANDAL COVER INSTALLATION INSTRUCTIONS

1шт.

54

T201519

Label

(SUB FOR T159842, T159 841)(OPERATOR PATTERN)

1шт.

Выбрано товаров: 20