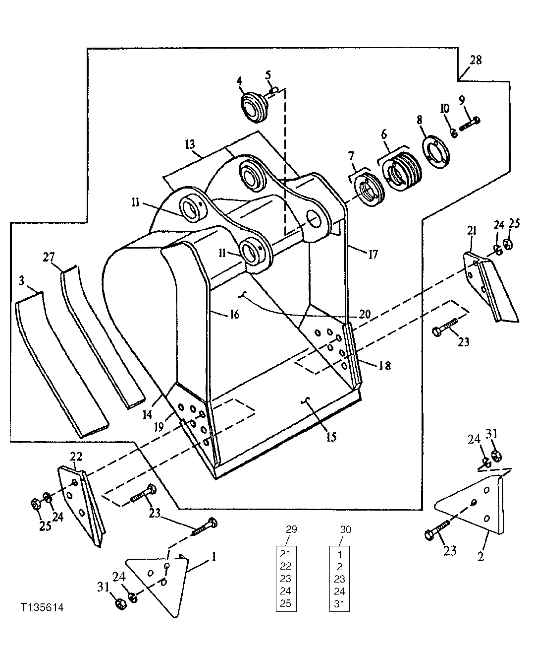
Запчасти John Deere 50CLC 197 - GENERAL PURPOSE BUCKET (54 INCH) (ALSO ORDER BUCKET TOOTH ASSEMBLIES) 3302 BUCKET WITH TEETH

Схема запчастей John Deere 50CLC - 197 - GENERAL PURPOSE BUCKET (54 INCH) (ALSO ORDER BUCKET TOOTH ASSEMBLIES) 3302 BUCKET WITH TEETH
FIT
1:1
100%

Артикул

Название

Примечание

Количество

1

Shroud

Right Edge Protector (SUB AT167874)

1шт.

2

Shroud

Left Edge Protector (SUB AT167874)

1шт.

3

307048

Bar

(C) Outer Wear

2шт.

4

4143522

Bushing

(SUB FOR TH103234)

1шт.

5

4179110

Pin

(SUB FOR TH103520)

1шт.

6

4143524

Washer

1 mm, (SUB FOR TH103235)

6шт.

7

4143525

Shim

(SUB FOR TH103236)

2шт.

8

TH103237

Plate

1шт.

9

19H2706

Cap Screw

5/8" X 2"

3шт.

10

12H294

Lock Washer

5/8"

3шт.

11

Plate

( TH103198 NLA)

2шт.

13

C606071

Pivot

(C) Bucket Ear Blank Assembly

1шт.

14

307047

Plate

(C) Right and Left Side

2шт.

15

AT131090

Dura-Max Cutting Edge

(CTL)

1шт.

16

300483

Vertical Cutter

(C) Upper Right Side Cutter

1шт.

17

300484

Vertical Cutter

(C) Upper Left Side Cutter

1шт.

18

300482

Vertical Cutter

(C) Left Side Cutter Insert

1шт.

19

300481

Vertical Cutter

(C) Right Side Cutter Insert

1шт.

20

600292

Moldboard

(C) (48 INCH)

1шт.

600915

Moldboard

(C) (54 INCH)

1шт.

600916

Moldboard

(C) (60 INCH)

1шт.

21

Cutting Edge

Left Side Cutter (SUB AT131080)

1шт.

22

Cutting Edge

Right Side Cutter (SUB AT131080)

1шт.

23

09H1770

Bolt

7/8" X 2-1/2"

6шт.

24

12H245

Lock Washer

7/8"

6шт.

25

14H1077

Nut

7/8"

6шт.

27

300479

Bar

(C) Inner Wear

2шт.

28

Excavator Bucket

54 in 2.3 cu yd , Requires 7 Teeth

1шт.

29

End Bit

(AT131080 NLA) Side Cutter Kit

1шт.

30

Shroud

(AT167874 NLA) Edge Protector

1шт.

31

14H1044

Nut

7/8"

6шт.

Выбрано товаров: 31