Запчасти John Deere 50CLC 198 - HEAVY DUTY BUCKET (ALSO ORDER BUCKET TOOTH ASSEMBLIES) 3302 BUCKET WITH TEETH

Схема запчастей John Deere 50CLC - 198 - HEAVY DUTY BUCKET (ALSO ORDER BUCKET TOOTH ASSEMBLIES) 3302 BUCKET WITH TEETH
FIT
1:1
100%

Артикул

Название

Примечание

Количество

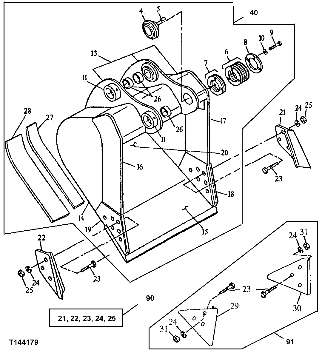
4

3038818

Boss

(SUB FOR AT131625)

1шт.

5

4179110

Pin

(SUB FOR TH103520)

2шт.

6

AT131816

Washer

(1 MM)

7шт.

7

4207194

Shim

(SUB FOR AT131815)

2шт.

8

AT131814

Plate

1шт.

9

19H2706

Cap Screw

5/8" X 2"

4шт.

10

12H294

Lock Washer

5/8"

4шт.

11

AT128461

Bushing

2шт.

13

C606320

Pivot

(F) Bucket Ear Blank Assembly

1шт.

14

304578

Plate

(F) Right and Left Side

2шт.

15

AT131097

Dura-Max Cutting Edge

(CTL)

1шт.

16

301025

Vertical Cutter

(F) Upper Right Side Cutter

1шт.

17

301026

Vertical Cutter

(F) Upper Left Side Cutter

1шт.

18

304577

Vertical Cutter

(F) Left Side Cutter Insert

1шт.

19

304576

Vertical Cutter

(F) Right Side Cutter Insert

1шт.

20

600541

Moldboard

(F) (36 INCH)

1шт.

600542

Moldboard

(F) (42 INCH)

1шт.

600543

Moldboard

(F) (48 INCH)

1шт.

602705

Moldboard

(F) (54 INCH)

1шт.

602706

Moldboard

(F) (60 INCH)

1шт.

602707

Moldboard

(F) (72 INCH)

1шт.

21

Cutting Edge

(SUB AT131085)

1шт.

22

Cutting Edge

(SUB AT131085)

1шт.

23

09H1771

Bolt

7/8" X 3"

6шт.

24

12H245

Lock Washer

7/8"

6шт.

25

14H1077

Nut

7/8"

6шт.

26

4205109

Bushing

(SUB FOR AT131768)

3шт.

27

301024

Bar

(F) Inner Wear

2шт.

28

304579

Bar

(F) Outer Wear

2шт.

29

Shroud

Wear Shroud

1шт.

30

Shroud

Wear Shroud

1шт.

31

14H1044

Nut

7/8"

6шт.

40

Excavator Bucket

( AT163675 NLA) (WHOLEGOODS) (36 INCH - 1.56 CUBIC YARD) (REQUIRES 4 TEETH)

1шт.

Excavator Bucket

( AT163678 NLA) (SUB AT332738 (WHOLEGOODS) (42 INCH - 1.85 CUBIC YARD) (REQUIRES 5 TEETH) )

1шт.

Excavator Bucket

( AT163681 NLA) (SUB AT332739 (WHOLEGOODS) (48 INCH - 2.15 CUBIC YARD) (REQUIRES 6 TEETH) )

1шт.

Excavator Bucket

( AT163682 NLA) (SUB AT332740 (WHOLEGOODS) (54 INCH - 2.45 CUBIC YARD) (REQUIRES 6 TEETH) )

1шт.

Excavator Bucket

( AT163683 NLA) (SUB AT332741 (WHOLEGOO DS) (60 INCH - 2.74 CUBIC YARD) (REQUIRE S 7 TEETH) (DO NOT USE WITH 16' 1" ARM))

1шт.

Excavator Bucket

( AT163684 NLA) (SUB AT332742 (WHOLEGOODS) (66 INCH - 3.01 CUBIC YARD) (REQUIRES 7 TEETH) )

1шт.

Excavator Bucket

( AT163686 NLA) (SUB AT332743 (WHOLEGOODS) (72 INCH - 3.29 CUBIC YARD) (REQUIRES 8 TEETH) )

1шт.

90

End Bit

(AT131085 NLA) Side Cutter Kit

1шт.

91

Kit

(AT167876 NLA) Edge Protector

1шт.

Выбрано товаров: 41