Качественные детали и логистика
Оригинальные и аналоговые запчасти с доставкой по России, Казахстану и Беларуси
©2022 PartSell ООО "Система" ИНН 2463123282 ОГРН 1212400004838
Центральный офис: г. Красноярск, Академика Киренского, д.87, пом.4
Телефон: 8 (800) 777-65-74 Email: zakaz@partsell.ru
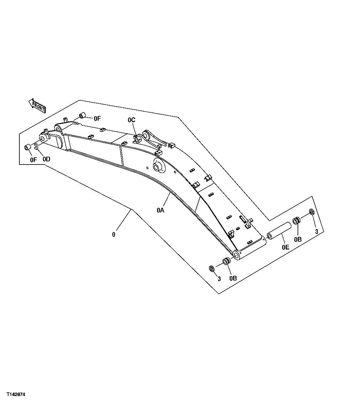
237 - STANDARD BOOM (7.0 M) AND HEAVY DUTY BOOM
№
Артикул
Название
Примечание
Количество
0
Excavator Boom
(STD) ( AT201855 OR 7024088 NLA)
1шт.
7027727J
Heavy Duty
0A
( TH5007985 NLA)
0B
3055205
Bushing
(SUB FOR AT201685)
2шт.
0C
4662435
Stop
(SUB FOR AT131769 OR 4205110)
0D
4299048
(SUB FOR AT201753)
0E
4334120
Spacer
(SUB FOR AT202331)
0F
4439033
Heavy Duty Boom
3
4251752
Seal
(SUB FOR AT202304)
Выбрано товаров: 0