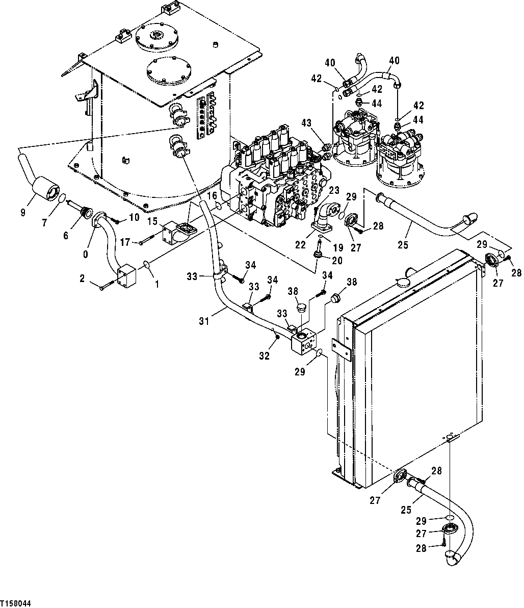
Запчасти John Deere 50CLC 240 - HYDRAULIC RETURN LINES AND HOSES 3360 HYDRAULIC SYSTEM

Схема запчастей John Deere 50CLC - 240 - HYDRAULIC RETURN LINES AND HOSES 3360 HYDRAULIC SYSTEM
FIT
1:1
100%

Артикул

Название

Примечание

Количество

0

7038072

Oil Line

(SUB FOR TH7038072)

1шт.

1

TH105683

O-Ring

1шт.

2

19M7949

Cap Screw

M12 X 100 ( AT128379 NL A) (ALSO ORDER 12M7058)

4шт.

12M7058

Lock Washer

12 mm (SUB FOR 12M7067)

4шт.

6

4436022

Flow Control Hyd. Valve

(SUB FOR TH4436022)

1шт.

7

TH105683

O-Ring

1шт.

9

8083446

Oil Line

(SUB FOR TH8083446)

1шт.

10

19M8395

Screw

M12 X 40

4шт.

15

7038359

Oil Line

(SUB FOR TH7038359)

1шт.

16

TH105683

O-Ring

1шт.

17

19M7949

Cap Screw

M12 X 100

4шт.

12M7058

Lock Washer

12 mm (SUB FOR 12M7067)

4шт.

19

TH105684

O-Ring

1шт.

20

4277666

Check Valve

(SUB FOR AT201744)

1шт.

22

8079346

Oil Line

(SUB FOR TH8079346)

1шт.

23

19M8448

Screw

M12 X 35

4шт.

25

4454770

Hydraulic Hose

(SUB FOR TH4454770)

2шт.

27

965946

Flange

(SUB FOR TH965946)

8шт.

28

19M8448

Screw

M12 X 35

16шт.

29

T34248

O-Ring

4шт.

31

7040299

Oil Tube

(SUB FOR TH7040299)

1шт.

32

A885002

Plug

(INCLUDES M800650 ) (SUB FOR THA885002)

1шт.

M800650

Packing

1шт.

33

4053697

Clamp

(SUB FOR TH101030)

3шт.

34

19M7753

Cap Screw

M12 X 70

3шт.

12H301

Lock Washer

1/2"

3шт.

38

A885000

Pipe Plug

(INCLUDES TH104634 ) (SUB FOR THA885000)

2шт.

970860

O-Ring

(SUB FOR TH104634)

2шт.

40

AT200722

Hydraulic Hose

30.1752" X 400 mm (15-3/4") X 30.1752"

2шт.

42

T76938

O-Ring

4шт.

43

A853186

Adapter Fitting

Not Illustrated (INCLUDES TH101926)

2шт.

TH101926

O-Ring

2шт.

44

A853166

Adapter Fitting

(SUB FOR THA853166 ) (INCLUDES TH100055)

2шт.

AT318035

O-Ring

(SUB FOR 4506424, TH100055)

2шт.

Выбрано товаров: 34