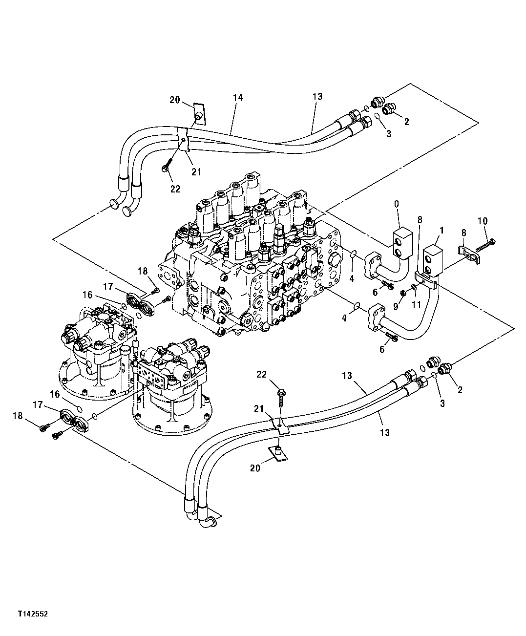
Запчасти John Deere 50CLC 244 - HYDRAULIC HOSES AND LINES (CONTROL VALVE TO SWING MOTOR) 3360 HYDRAULIC SYSTEM

Схема запчастей John Deere 50CLC - 244 - HYDRAULIC HOSES AND LINES (CONTROL VALVE TO SWING MOTOR) 3360 HYDRAULIC SYSTEM
FIT
1:1
100%

Артикул

Название

Примечание

Количество

0

8038955

Line

(SUB FOR AT132066)

1шт.

1

8055536

Oil Line

(SUB FOR AT201895)

1шт.

2

A853166

Adapter Fitting

(SUB FOR THA853166 ) (INCLUDES TH100055)

4шт.

AT318035

O-Ring

(SUB FOR 4506424, TH100055)

4шт.

3

T77858

O-Ring

4шт.

4

T72216

O-Ring

2шт.

6

19M8734

Screw

M14 X 45

8шт.

8

4053599

Clamp

(SUB FOR TH101980)

2шт.

9

14M7275

Nut

M12

1шт.

10

19M7753

Cap Screw

M12 X 70

1шт.

11

12H301

Lock Washer

1/2"

1шт.

13

4386491

Hydraulic Hose

(SUB FOR TH4386491)

3шт.

14

4343422

Hydraulic Hose

(SUB FOR TH4343422)

1шт.

16

T59014

O-Ring

4шт.

17

R29424

Flange Fitting

8шт.

18

19M8337

Screw

M10 X 30

16шт.

20

9727822

Clamp

(SUB FOR TH109556)

2шт.

21

4202103

Clamp

(SUB FOR TH108302)

2шт.

22

19M8348

Cap Screw

M12 X 65

2шт.

12H301

Lock Washer

1/2"

2шт.

Выбрано товаров: 20