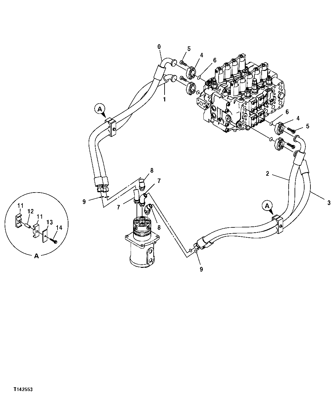
Запчасти John Deere 50CLC 245 - HYDRAULIC HOSES (CONTROL VALVE TO ROTARY MANIFOLD) 3360 HYDRAULIC SYSTEM

Схема запчастей John Deere 50CLC - 245 - HYDRAULIC HOSES (CONTROL VALVE TO ROTARY MANIFOLD) 3360 HYDRAULIC SYSTEM
FIT
1:1
100%

Артикул

Название

Примечание

Количество

0

4371307

Hydraulic Hose

AT178143 NLA

1шт.

1

AT168744

Hydraulic Hose

1-1/4" X 1549 mm (61") X 36.5252"

1шт.

2

4371308

Hydraulic Hose

AT178144 NLA

1шт.

3

AT168743

Hydraulic Hose

1-1/4" X 1450 mm (57") X 36.5252"

1шт.

4

AT131685

Flange Fitting

8шт.

5

19M8734

Screw

M14 X 45

16шт.

6

T72216

O-Ring

4шт.

7

4274593

Elbow Fitting

INCLUDES TH101926, SUB FOR AT201740

2шт.

TH101926

O-Ring

2шт.

8

FYA00046237

Elbow Fitting

INCLUDES TH101926, SUB FOR AT201732 OR 4270315

2шт.

TH101926

O-Ring

2шт.

9

T76938

O-Ring

4шт.

11

4205615

Hose Clamp

SUB FOR AT131792

4шт.

12

4205614

Spacer

SUB FOR AT131791 OR 4224002

2шт.

13

4711050

Plate

SUB FOR AT131918

2шт.

14

12M7058

Lock Washer

12 mm SUB FOR 12M7067

2шт.

19M8122

Cap Screw

M12 X 85

2шт.

Выбрано товаров: 17