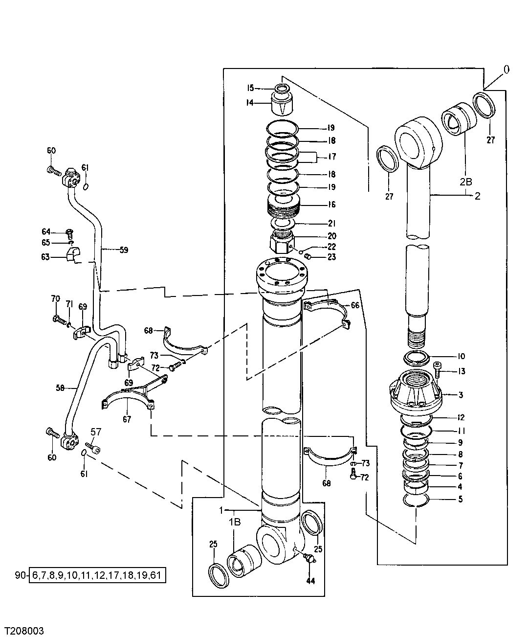
Запчасти John Deere 50CLC 250 - Left Boom Cylinder Components (091287 - ) 3360 HYDRAULIC SYSTEM

Схема запчастей John Deere 50CLC - 250 - Left Boom Cylinder Components (091287 - ) 3360 HYDRAULIC SYSTEM
FIT
1:1
100%

Артикул

Название

Примечание

Количество

0

4340511

Hydraulic Cylinder

AT264221 NLA Reman

1шт.

1

0420101

Hydraulic Cylinder Barrel

1шт.

Cylinder Reman

PG201235 NLA, ORDER 0420101, REMAN

1шт.

1B

4609090

Bushing

SUB FOR 0420112

1шт.

2

0420103

Rod

1шт.

2B

4S00897

Bushing

SUB FOR 0420104

1шт.

3

0420105

Cylinder Head

1шт.

4

0352704

Bushing

1шт.

5

0133103

Snap Ring

1шт.

6

AT132284

Ring

SUB FOR 0352705

1шт.

7

AT132285

Seal

1шт.

8

AT132286

Back-Up Ring

1шт.

9

0460004

Ring

1шт.

10

AT191197

Ring

1шт.

11

A811160

O-Ring

1шт.

12

AT264252

Back-Up Ring

1шт.

13

0191412

Bolt

8шт.

14

0420106

Bearing

1шт.

15

0420113

Seal

1шт.

16

FXB00012870

Piston

SUB FOR 0420108

1шт.

17

AT264253

Ring

1шт.

18

AT264289

Ring

2шт.

19

AT264248

Ring

2шт.

20

0352713

Nut

1шт.

21

0352714

Shim

1шт.

22

R26552

Ball

7.938 mm (5/16")

1шт.

23

H228111

Set Screw

SUB FOR 0352715

1шт.

25

AT201578

Ring

2шт.

27

0420111

Ring

SUB FOR 4S00853

2шт.

44

J75481

Fitting

1шт.

57

19M8448

Screw

M12 X 35

4шт.

58

Pipe

0352801 NLA Units Buil t Before February 2003

1шт.

0942501

Line

Units Built February 2003 And After USE WITH 19M8448

1шт.

59

Pipe

0352802 NLA Units Buil t Before February 2003

1шт.

0420201

Line

Units Built February 2003 And After USE WITH 19M8448

1шт.

60

M800636

Screw

M12 X 55 Units Built Before February 2003

8шт.

19M8448

Screw

M12 X 35 Units Built F ebruary 2003 And After

8шт.

61

AT264348

O-Ring

2шт.

63

0309219J

Half Clamp

SUB FOR 0309219

1шт.

64

19M7273

Cap Screw

M12 X 60 Units Built Before February 2003

1шт.

19M8348

Cap Screw

M12 X 65 Units Built F ebruary 2003 And After

1шт.

65

12M7058

Lock Washer

12 mm

1шт.

66

Band

0352719 NLA Units Buil t Before February 2003

1шт.

0875612

Half Clamp

Units Built February 2003 And After

1шт.

67

0352720

Band

1шт.

68

0352721

Band

2шт.

69

0236915J

Holder

SUB FOR 0236915

2шт.

70

19M7291

Cap Screw

M14 X 90

1шт.

71

12H317

Lock Washer

9/16"

1шт.

72

19M7550

Cap Screw

M10 X 35

4шт.

73

12M7066

Lock Washer

10 mm

4шт.

90

4340620

Seal Kit

1шт.

Выбрано товаров: 0