Запчасти John Deere 50LC 69 - Engine Gasket Kits 0452 Gasket Replacement Kits 6101AT010 6101AT010

Схема запчастей John Deere 50LC - 69 - Engine Gasket Kits 0452 Gasket Replacement Kits 6101AT010 6101AT010
FIT
1:1
100%

Артикул

Название

Примечание

Количество

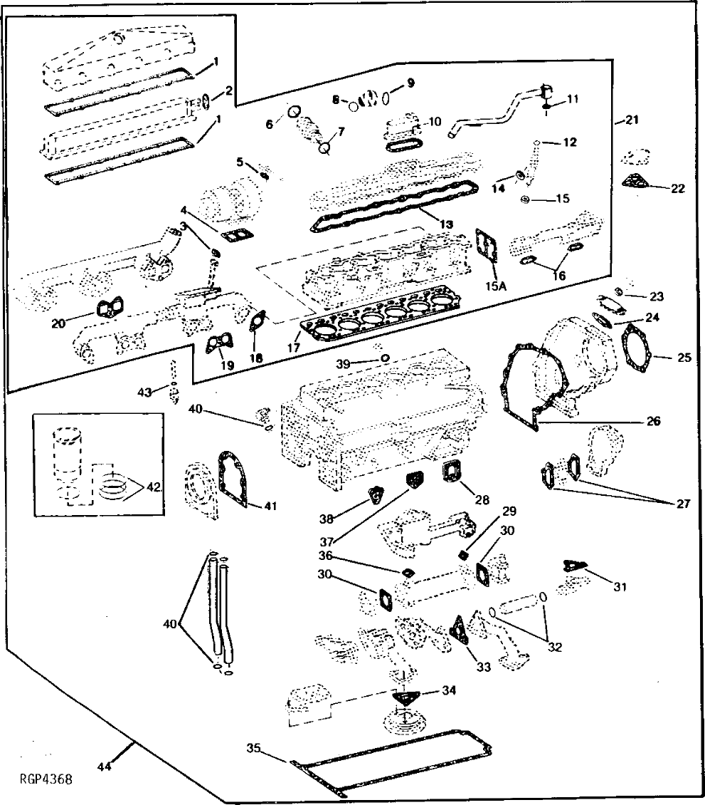
1

R116509

Gasket

2шт.

2

R100911

Seal

1шт.

3

R105346

Gasket

1шт.

4

R98235

Gasket

1шт.

5

Gasket

NAшт.

6

O-Ring

NAшт.

7

O-Ring

NAшт.

8

R49424

O-Ring

1шт.

9

R49424

O-Ring

1шт.

10

R49492

Gasket

1шт.

11

R56463

O-Ring

1шт.

12

R51603

O-Ring

6шт.

13

R74365

Gasket

1шт.

14

R77551

O-Ring

6шт.

15

R84472

Washer

6шт.

15A

R120293

Gasket

1шт.

16

R88397

Gasket

2шт.

17

RE34009

Engine Cylinder Head Gasket

1шт.

18

R80970

Gasket

2шт.

19

R80969

Gasket

2шт.

20

R520521

Gasket

(SUB FOR R40088)

3шт.

21

RE524394

Gasket Kit

Cylinder Head Removal (SUB FOR RE56491)

1шт.

22

R520549

Gasket

(SUB FOR R81274)

1шт.

23

T20328

Gasket

1шт.

24

R520616

Gasket

(SUB FOR R82943)

1шт.

25

R520520

Gasket

(SUB FOR R35349)

1шт.

26

R520536

Gasket

(SUB FOR R49483)

1шт.

27

R520542

Gasket

(SUB FOR R49495)

2шт.

28

R114332

Gasket

1шт.

29

R520540

Gasket

(SUB FOR R49490)

1шт.

30

R520552

Gasket

(SUB FOR R57504)

2шт.

31

R520576

Gasket

(SUB FOR R69418)

1шт.

32

R71732

O-Ring

2шт.

33

R520578

Gasket

(SUB FOR R71312)

1шт.

R100569

Gasket

1шт.

34

R520585

Gasket

(SUB FOR R74464)

NAшт.

35

RE509291

Gasket

(USE W/ ALUMINUM PAN) (SUB FOR R64828)

1шт.

36

R520541

Gasket

(SUB FOR R49491)

1шт.

37

R520537

Gasket

(SUB FOR R49484)

1шт.

38

R520538

Gasket

(SUB FOR R49485)

1шт.

39

U13639

O-Ring

1шт.

40

R47153

O-Ring

5шт.

41

R520512

Gasket

(SUB FOR R35043)

1шт.

42

AR72351

O-Ring Kit

(NLA)

6шт.

43

R72328

O-Ring

1шт.

44

RE524384

Gasket Kit

Engine Rebuild (SUB FOR RE56492)

1шт.

R57480

Gasket

NAшт.

R57495

O-Ring

6шт.

R57496

O-Ring

6шт.

R66309

Washer

6шт.

Выбрано товаров: 50