Качественные детали и логистика
Оригинальные и аналоговые запчасти с доставкой по России, Казахстану и Беларуси
©2022 PartSell ООО "Система" ИНН 2463123282 ОГРН 1212400004838
Центральный офис: г. Красноярск, Академика Киренского, д.87, пом.4
Телефон: 8 (800) 777-65-74 Email: zakaz@partsell.ru
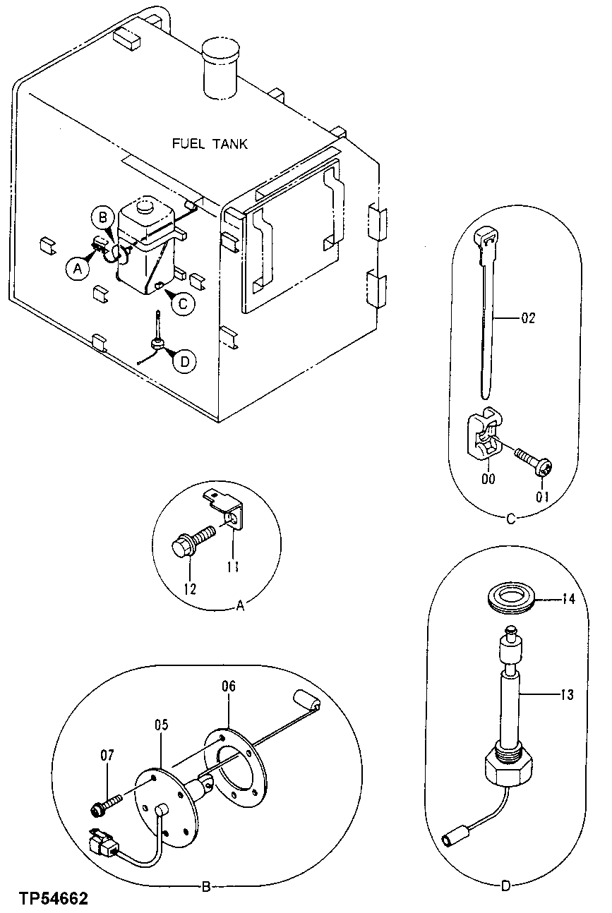
97 - Electric Components
№
Артикул
Название
Примечание
Количество
0
4196829
Bracket
(SUB FOR AT132496)
1шт.
1
21M7288
Screw
M6 X 10
2
H77698
Tie Band
5
4660782
Float
(SUB FOR AT154239 OR 4257128)
6
T211051
Gasket
(SUB FOR U42323)
7
21M7278
M5 X 10
5шт.
11
4257159
(SUB FOR AT154243)
12
19M8324
Cap Screw
M10 X 16
12M7058
Lock Washer
12 mm (SUB FOR 12M7067)
13
4259788
Switch
(SUB FOR AT154272) (FUEL LEVEL)
14
4157648
Sealing Washer
(SUB FOR TH108583)
Выбрано товаров: 0