Запчасти John Deere 50LC 4 - Front Idler 0130 Track Systems

Схема запчастей John Deere 50LC - 4 - Front Idler 0130 Track Systems
FIT
1:1
100%

Артикул

Название

Примечание

Количество

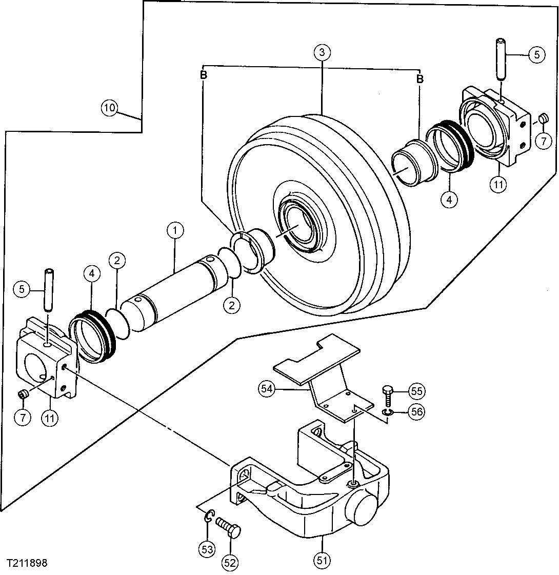
1

2030997

Axle

SUB FOR AT201657

1шт.

2

TH100156

O-Ring

99.600 X 5.700 mm (3.921" X 0.224")

2шт.

3

Roller

9165600 NLA, FURNISH 9165848 , SUB FOR AT201945 OR 9134296

1шт.

3B

3037466

Bushing

SUB FOR AT131612

2шт.

4

4344810

Seal

SUB FOR AT202242

2шт.

5

4153956

Pin

26 X 142 mm (1.024" X 5 .591") SUB FOR AT131712

2шт.

7

942011

Fitting Plug

SUB FOR 94-2011 AND TH100434

2шт.

10

9165848

Idler

SUB FOR AT201944, EACH SIDE OF UNIT

1шт.

11

1020353

Bracket

SUB FOR AT165969

2шт.

51

1015046

Yoke

SUB FOR AT201643

1шт.

52

19M8224

Cap Screw

M20 X 60

4шт.

53

12M7070

Lock Washer

20 mm

4шт.

54

7023752

Guard

SUB FOR AT201851

1шт.

55

19M8011

Cap Screw

M12 X 30

3шт.

56

12H301

Lock Washer

1/2"

3шт.

Выбрано товаров: 15