Запчасти John Deere 50LC 160 - Air Conditioner Components 1830 Heating & Air Conditioning

Схема запчастей John Deere 50LC - 160 - Air Conditioner Components 1830 Heating & Air Conditioning
FIT
1:1
100%

Артикул

Название

Примечание

Количество

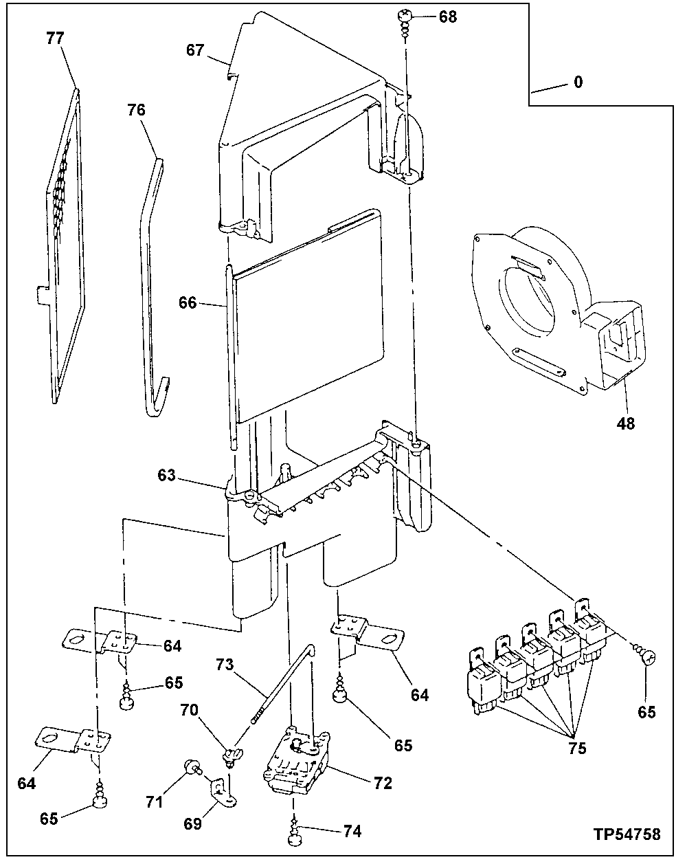
0

4375485

Air Conditioner

(COMPLETE) (CONTAINS ALL ITEMS LISTED ON THI S PAGE - ADDITIONAL COMPONENTS LISTED ON PREV IOUS AND FOLLOWING PAGES) (SUB FOR AT217133)

1шт.

48

4406287

Blower

(SUB FOR AT186864)

1шт.

63

4382852

Housing

(SUB FOR AT181044)

1шт.

64

4382853

Bracket

(SUB FOR AT181045)

3шт.

65

4236448

Screw

(SUB FOR AT181024)

ARшт.

66

4382854

Door

(SUB FOR AT181047)

1шт.

67

4382855

Housing

(SUB FOR AT181048)

1шт.

68

4382883

Screw

(SUB FOR AT181011)

3шт.

69

4382856

Lever

(SUB FOR AT181049)

1шт.

70

4362310

Clamp

(SUB FOR AT173818)

1шт.

71

J460308

Screw With Washer

(SUB FOR AT181025)

1шт.

72

4382857

Electric Motor

(SUB FOR AT181050)

1шт.

73

4382858

Hook Bolt

(SUB FOR AT181051)

1шт.

74

4382859

Screw

(SUB FOR AT181052)

3шт.

75

4382860

Relay

(SUB FOR AT181053)

5шт.

76

4382861

Isolator

(SUB FOR AT181054)

1шт.

77

4S00303

Filter

(SUB FOR TH4358255) (SUB FOR AT191445)

1шт.

78

4382882

Bolt

(SUB FOR AT218133)

4шт.

Выбрано товаров: 18