Запчасти John Deere 50LC 214 - Heavy Duty High Capacity Bucket (Also Order Bucket Tooth Assemblies) 3302 Bucket With Teeth

Схема запчастей John Deere 50LC - 214 - Heavy Duty High Capacity Bucket (Also Order Bucket Tooth Assemblies) 3302 Bucket With Teeth
FIT
1:1
100%

Артикул

Название

Примечание

Количество

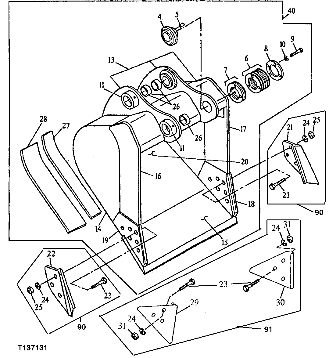
4

3038818

Boss

(SUB FOR AT131625)

1шт.

5

4179110

Pin

(SUB FOR TH103520)

2шт.

6

AT131816

Washer

1 mm

7шт.

7

4207194

Shim

5 mm, (SUB FOR AT131815)

2шт.

8

AT131814

Plate

1шт.

9

19H2706

Cap Screw

5/8" X 2"

4шт.

10

12H294

Lock Washer

5/8"

4шт.

11

AT128461

Bushing

2шт.

13

C606320

Pivot

(F) Bucket Ear Blank Assembly

1шт.

14

300324

Plate

(F) Right and Left Side

2шт.

15

AT131098

Dura-Max Cutting Edge

(CTL)

1шт.

16

300327

Vertical Cutter

(F) Upper Right Side Cutter

1шт.

17

300328

Vertical Cutter

(F) Upper Left Side Cutter

1шт.

18

300326

Vertical Cutter

(F) Left Side Cutter Insert

1шт.

19

300325

Vertical Cutter

(F) Right Side Cutter Insert

1шт.

20

600190

Moldboard

(F) 36 in

1шт.

600192

Moldboard

(F) 42 in

1шт.

600194

Moldboard

(F) 48 in

1шт.

600195

Moldboard

(F) 54 in

1шт.

600196

Moldboard

(F) 60 in

1шт.

608234

Moldboard

(F) 72 in

1шт.

21

Cutting Edge

(K) (SUB AT131085)

1шт.

22

Cutting Edge

(K) (SUB AT131085)

1шт.

23

09H1771

Bolt

(K) 7/8" X 3" (K2)

6шт.

24

12H245

Lock Washer

(K) 7/8" (K2)

6шт.

25

14H1077

Nut

(K) 7/8"

6шт.

26

4205109

Bushing

(SUB FOR AT131768)

3шт.

27

300645

Bar

(F) Inner Wear

1шт.

28

307451

Bar

(F) Outer Wear

1шт.

29

Shroud

(K2) Wear Shroud

1шт.

30

Shroud

Wear Shroud (K2)

1шт.

31

14H1044

Nut

7/8" (K2)

6шт.

40

Excavator Bucket

36 in. - 1.96 yd³, (SUB AT18364 5) (AVAILABLE TOOTH ASSEMBLIES O N SEPARATE PAGE) ( AT163688 NLA)

1шт.

Excavator Bucket

42 in. - 2.32 yd³, (SUB AT18364 6) (AVAILABLE TOOTH ASSEMBLIES O N SEPARATE PAGE) ( AT163689 NLA)

1шт.

Excavator Bucket

48 in. - 2.69 yd³, (SUB AT18364 7) (AVAILABLE TOOTH ASSEMBLIES O N SEPARATE PAGE) ( AT163690 NLA)

1шт.

Excavator Bucket

54 in. - 3.06 yd³, (SUB AT18364 8) (AVAILABLE TOOTH ASSEMBLIES O N SEPARATE PAGE) ( AT163691 NLA)

1шт.

Excavator Bucket

60 in. - 3.43 yd³, (SUB AT18364 9) (AVAILABLE TOOTH ASSEMBLIES O N SEPARATE PAGE) ( AT163692 NLA)

1шт.

Excavator Bucket

66 in. 3.80 yd³, (SUB AT183650 ) (AVAILABLE TOOTH ASSEMBLIES O N SEPARATE PAGE) ( AT167303 NLA )

1шт.

Excavator Bucket

72 in. - 4.18 yd³, (SUB AT18365 1) (AVAILABLE TOOTH ASSEMBLIES O N SEPARATE PAGE) ( AT163693 NLA)

1шт.

Excavator Bucket

60 in. - 3.5 yd³, (SUB AT18396 3) (SUB AT187278) (AVAILABLE TO OTH ASSEMBLIES ON SEPARATE PAGE )

1шт.

90

Kit

Side Cutter Kit Includes All P arts Marked (K) ( AT131085 NLA)

1шт.

91

Kit

Edge Protector Kit Includes All Parts Marked (K2) ( AT167876 NLA)

1шт.

Выбрано товаров: 42