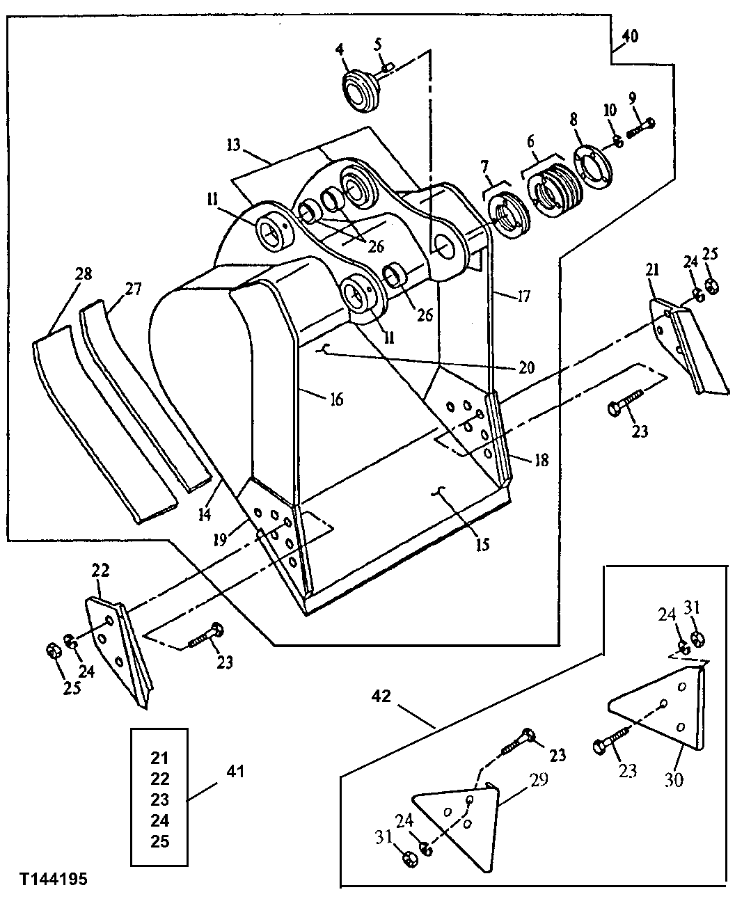
Запчасти John Deere 50LC 220 - Truck Loading Bucket (Also Order Bucket Tooth Assemblies) 3302 Bucket With Teeth

Схема запчастей John Deere 50LC - 220 - Truck Loading Bucket (Also Order Bucket Tooth Assemblies) 3302 Bucket With Teeth
FIT
1:1
100%

Артикул

Название

Примечание

Количество

4

3038818

Boss

(SUB FOR AT131625)

1шт.

5

4179110

Pin

(SUB FOR TH103520)

2шт.

6

AT131816

Washer

1 mm

7шт.

7

4207194

Shim

5 mm, (SUB FOR AT131815)

2шт.

8

AT131814

Plate

1шт.

9

19H2706

Cap Screw

5/8" X 2"

4шт.

10

12H294

Lock Washer

5/8"

4шт.

11

AT128461

Bushing

2шт.

13

C609726

Pivot

(F) Bucket Ear Blank Assembly

1шт.

14

304171

Plate

(F) Right and Left Side

2шт.

15

AT131097

Dura-Max Cutting Edge

(CTL)

1шт.

16

300327

Vertical Cutter

(F) Upper Right Side Cutter

1шт.

17

300328

Vertical Cutter

(F) Upper Left Side Cutter

1шт.

18

309971

Vertical Cutter

(F) Left Side Cutter Insert

1шт.

19

309970

Vertical Cutter

(F) Right Side Cutter Insert

1шт.

20

608619

Moldboard

(F) Upper

1шт.

21

Cutting Edge

(SUB AT131086)

1шт.

22

Cutting Edge

(SUB AT131086)

1шт.

23

09H1772

Bolt

7/8" X 3-1/2"

6шт.

24

12H245

Lock Washer

7/8"

6шт.

25

14H1077

Nut

7/8"

6шт.

26

4205109

Bushing

(SUB FOR AT131768)

3шт.

27

309972

Bar

(F) Inner Wear

2шт.

28

309972

Bar

(F) Outer Wear

2шт.

29

Shroud

Wear Shroud (SUB AT167878)

1шт.

30

Shroud

Wear Shroud (SUB AT167878)

1шт.

31

14H1044

Nut

7/8"

6шт.

38

610934

Moldboard

(F) Lower

1шт.

39

T145372

Label

Not Illustrated

1шт.

40

Excavator Bucket

72 in. - 4.18 yd³, (SUB AT332744) ( AT163687 NLA) (INCLUDES T145372 L ABEL) (AVAILABLE TOOTH ASSEMBLIES O N SEPARATE PAGE) (REQUIRES 6 TEETH)

1шт.

41

Kit

Cutting Edge ( AT131086 NLA)

1шт.

42

Kit

Wear ( AT167878 NLA)

1шт.

Выбрано товаров: 32