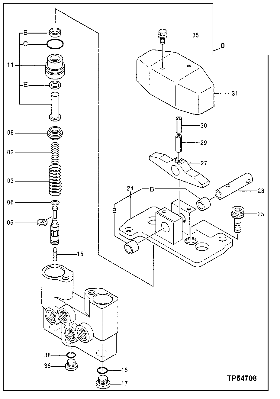
Запчасти John Deere 50LC 239 - Pilot Valve 3315 Control Linkage

Схема запчастей John Deere 50LC - 239 - Pilot Valve 3315 Control Linkage
FIT
1:1
100%

Артикул

Название

Примечание

Количество

0

9074843

Hyd Actuated Control Valve

(SUB FOR TH110188)

1шт.

2

4190088

Compression Spring

(SUB FOR AT127601)

2шт.

3

4213075

Compression Spring

(SUB FOR AT127623)

2шт.

5

4177777

Spacer

(SUB FOR TH109216)

2шт.

6

4173208

Shim

(SUB FOR TH109217)

10шт.

8

4203412

Guide

(SUB FOR TH109237)

2шт.

11

9089355

Plunger

(SUB FOR AT128176)

2шт.

11B

4240150

Seal

(SUB FOR TH111960)

1шт.

11C

U46166

O-Ring

24.400 X 3.100 mm (0.961" X 0.122")

1шт.

11E

4240151

Seal

(SUB FOR TH109224)

1шт.

15

4184929

Piston

(SUB FOR TH109228)

2шт.

16

CH10569

Packing

2шт.

17

4185057

Drain Plug

(SUB FOR TH109241)

2шт.

24

9086168

Holder

(SUB FOR AT127963)

1шт.

24B

4238834

Bushing

(SUB FOR TH111963)

2шт.

25

4198391

Stop

(SUB FOR AT127604)

2шт.

27

3035803

Cam

(SUB FOR TH109243)

1шт.

28

4190983

Pin Fastener

16 X 68 mm (0.630" X 2. 677") (SUB FOR TH109244)

1шт.

29

34M7225

Spring Pin

8 X 28 mm (SUB FOR 34M6402)

1шт.

30

4213419

Spring Pin

4.750 X 28 mm (3/16" X 1 .102") (SUB FOR TH111654)

1шт.

31

2024717

Cover

(SUB FOR AT127571)

1шт.

35

19M7923

Cap Screw

M6 X 12

2шт.

12M7006

Lock Washer

6 mm

2шт.

24M7054

Washer

6.400 X 12 X 1.600 mm

2шт.

36

4208977

Drain Plug

(SUB FOR TH111351)

1шт.

38

CH11561

Packing

1шт.

Выбрано товаров: 26