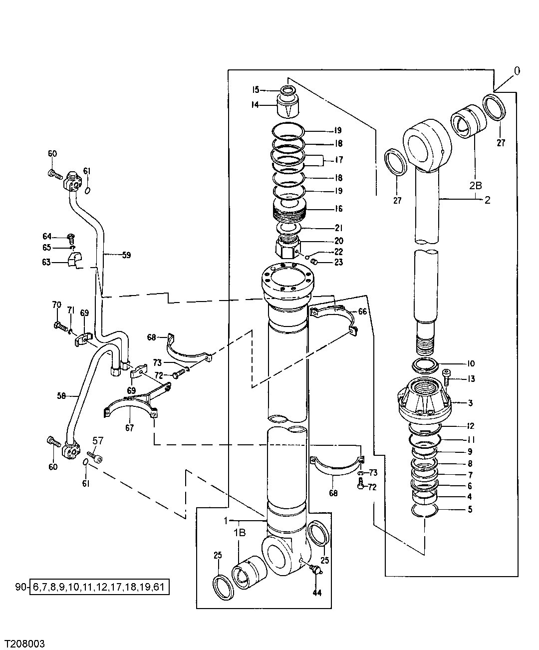
Запчасти John Deere 50LC 297 - Left Boom Cylinder ( - 090466) 3365 Hydraulic Cylinders

Схема запчастей John Deere 50LC - 297 - Left Boom Cylinder ( - 090466) 3365 Hydraulic Cylinders
FIT
1:1
100%

Артикул

Название

Примечание

Количество

0

4340511

Hydraulic Cylinder

AT464221 NLA, REMAN

1шт.

1

0420101

Hydraulic Cylinder Barrel

SUB FOR AT201569

1шт.

Cylinder Reman

PG201235 NLA, ORDER 0420101, REMAN

1шт.

1B

4609090

Bushing

SUB FOR 0420112 AND AT201570

1шт.

2

0420103

Rod

SUB FOR AT201571

1шт.

2B

4S00897

Bushing

SUB FOR 0420104 AND AT201572

1шт.

3

0420105

Cylinder Head

SUB FOR AT201573

1шт.

4

0352704

Bushing

SUB FOR AT132283

1шт.

5

0133103

Snap Ring

SUB FOR AT127275

1шт.

6

AT132284

Ring

SUB FOR 0352705

1шт.

7

AT132285

Seal

SUB FOR 0352706

1шт.

8

AT132286

Back-Up Ring

SUB FOR 0352707

1шт.

9

0460004

Ring

1шт.

10

AT191197

Ring

SUB FOR 4438200 AND AT132288

1шт.

11

A811160

O-Ring

1шт.

12

AT264252

Back-Up Ring

SUB FOR 4170546

1шт.

13

0191412

Bolt

SUB FOR 0352716, AT132295 OR AT217053

8шт.

14

0420106

Bearing

SUB FOR AT192324, AT201574 OR AT192512

1шт.

15

0420113

Seal

1шт.

16

FXB00012870

Piston

SUB FOR 0420108 AND AT201576

1шт.

17

AT264253

Ring

SUB FOR 4170547 AND AT132400

1шт.

18

AT264289

Ring

SUB FOR 0420109 AND AT201577

2шт.

19

AT264248

Ring

SUB FOR 0259307 AND AT132175

2шт.

20

0352713

Nut

SUB FOR AT132292

1шт.

21

0352714

Shim

SUB FOR AT132293

1шт.

22

R26552

Ball

7.938 mm (5/16") SUB FOR 0104404

1шт.

23

H228111

Set Screw

SUB FOR 0352715 AND AT132294

1шт.

25

AT201578

Ring

SUB FOR 0420110

2шт.

27

0420111

Ring

SUB FOR AT201579 OR 4S00853

2шт.

44

J75481

Fitting

1шт.

57

19M8448

Screw

M12 X 35

4шт.

58

Pipe

0352801 NLA, SUB FOR AT132303 Units Built After February 2003

1шт.

0942501

Line

USE ALONG W/ 19M8448 Units B uilt February 2003 And After

1шт.

59

Pipe

0352802 NLA, SUB FOR AT132304 Units Built After February 2003

1шт.

0420201

Line

Units Built February 2003 And After

1шт.

60

M800636

Screw

M12 X 55 Units Built After February 2003

8шт.

19M8448

Screw

M12 X 35 Units Built F ebruary 2003 And After

8шт.

61

AT264348

O-Ring

SUB FOR TH102788

2шт.

63

0309219J

Half Clamp

SUB FOR 0309219 OR T108064

1шт.

64

19M7363

Cap Screw

M12 X 60 Units Built After February 2003

1шт.

19M8348

Cap Screw

M12 X 65 Units Built F ebruary 2003 And After

1шт.

65

12M7058

Lock Washer

12 mm SUB FOR TH102779

1шт.

66

Band

0352719 NLA, SUB FOR AT132298 Units Built After February 2003

1шт.

0875612

Half Clamp

Units Built February 2003 And After

1шт.

67

0352720

Band

SUB FOR AT132299

1шт.

68

0352721

Band

SUB FOR AT132300

2шт.

69

0236915J

Holder

SUB FOR TH102783 OR 0236915

2шт.

70

19M7291

Cap Screw

M14 X 90

1шт.

71

12H317

Lock Washer

9/16"

1шт.

72

19M7550

Cap Screw

M10 X 35 SUB FOR AT153924

4шт.

73

12M7066

Lock Washer

10 mm

4шт.

90

4340620

Seal Kit

SUB FOR AT196471, AT182708 OR AT191198

1шт.

Выбрано товаров: 52