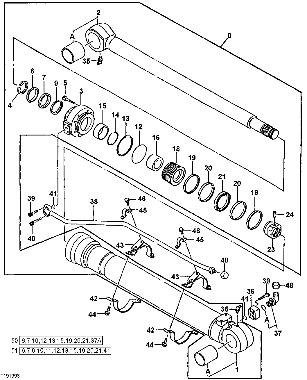
Запчасти John Deere 50LC 302 - Bucket Cylinder Components, Long Arm 3365 Hydraulic Cylinders

Схема запчастей John Deere 50LC - 302 - Bucket Cylinder Components, Long Arm 3365 Hydraulic Cylinders
FIT
1:1
100%

Артикул

Название

Примечание

Количество

0

9264721JEX

Hydraulic Cylinder Reman

REMAN, SUB FOR AT182461 AND AT201182

1шт.

1

4646017J

Hydraulic Cylinder Barrel

SUB FOR TH111599 OR 9121231

1шт.

Cylinder Reman

PG201316 NLA, ORDER 4646017J, REMAN

1шт.

1A

3031789

Bushing

SUB FOR TH110072

1шт.

2

4645920J

Hydraulic Cylinder Rod

SUB FOR AT201123 OR 7027219

1шт.

2A

3036659

Bushing

SUB FOR TH111167

1шт.

3

1022645

Hydraulic Cylinder Cap

SUB FOR AT131253, ALSO ORDER AT264274, AT264294 AND 4369508

1шт.

4

4369508

Ring

Retaining SUB FOR AT2179 83 Cylinder Serial Number

1шт.

5

19M8630

Screw

M24 X 80

8шт.

6

AT264407

Seal

(A) (B) SUB FOR TH111215

1шт.

AT264294

Seal

SUB FOR AT217969, 434820 1 Cylinder Serial Number

1шт.

7

AT264408

Seal

(A) (B) SUB FOR TH111216

1шт.

8

AT280433

Back-Up Ring

(B) Not Illustrated

1шт.

9

Ring

1шт.

10

4389326

Ring

(A) (B) SUB FOR TH111217, SUB FOR AT201003 AND AT264409 Not Illustrated

1шт.

11

AT264406

O-Ring

(B) Not Illustrated

1шт.

12

TH110052

O-Ring

(A) 134.600 X 5.700 mm (5.299" X 0.224") Cylinder Serial Number

1шт.

AT264274

O-Ring

(B) SUB FOR AT159582, 426 7138 Cylinder Serial Number

1шт.

13

AT264399

Back-Up Ring

(A) (B) SUB FOR TH110055

1шт.

14

4264982

Snap Ring

SUB FOR AT131254

1шт.

15

AT264239

Bushing

(A) (B) SUB FOR AT131420

1шт.

16

4194625

Ring

SUB FOR TH111275

1шт.

18

3080835

Piston

SUB FOR TH111164 AND 3036603

1шт.

19

AT264400

Ring

(A) (B) SUB FOR TH110062

2шт.

20

AT264401

Wear Ring

(A) (B) SUB FOR TH110063

2шт.

21

AT264402

Ring

(A) (B) SUB FOR TH110065

1шт.

23

3039348

Nut

SUB FOR TH111191

1шт.

24

4201806

Set Screw

M12 X 20 SUB FOR TH110066

1шт.

35

T116334

Lubrication Fitting

2шт.

36

3046126

Flange

SUB FOR AT128499

1шт.

37

A853388

Elbow Fitting

SUB FOR TH108325 OR 4198799

1шт.

37A

TH101926

O-Ring

(A) 28.700 X 3.500 mm (1.130" X 0.138")

1шт.

38

8044732

Tube

SUB FOR AT128498

1шт.

39

19M8341

Screw

M12 X 45

6шт.

40

19M8444

Screw

M12 X 60

2шт.

41

AT264324

O-Ring

(A) (B) SUB FOR TH100044

2шт.

42

3043349

Clamp

SUB FOR TH111883

2шт.

43

8074320

Clamp

SUB FOR TH111988

2шт.

44

19M7550

Cap Screw

M10 X 35

4шт.

12M7066

Lock Washer

10 mm

4шт.

45

4174241

Clamp

SUB FOR TH110059

2шт.

46

19M7402

Cap Screw

M10 X 25

4шт.

48

Cap

NLA

2шт.

50

AT196473

Seal Kit

Cylinder Serial Number INCLUDES ALL (A) PARTS

1шт.

51

AT264430

Seal Kit

Cylinder Serial Number INCLUDES ALL (B) PARTS

1шт.

Выбрано товаров: 45