Запчасти John Deere 50LC 26 - Cylinder Block Fittings 0404 Cylinder Block 6101AT010 6101AT010

Схема запчастей John Deere 50LC - 26 - Cylinder Block Fittings 0404 Cylinder Block 6101AT010 6101AT010
FIT
1:1
100%

Артикул

Название

Примечание

Количество

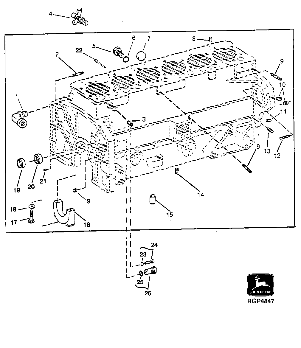
1

R58725

Elbow Fitting

90°

1шт.

2

R114129

Stud

1/2 in. X 2 in., (SUB FOR D488R)

2шт.

3

15H666

Pipe Plug

3/8"

2шт.

4

AT13740

Drain Valve

1шт.

5

R39741

Drain Plug

1шт.

6

U13639

O-Ring

1шт.

7

AR80294

Plug

1шт.

8

R26241

Dowel Pin

7/16 in. X 1-3/4 in

2шт.

9

K3083R

Stud

3шт.

10

RE57836

Pipe Plug

12.700 mm (1/2") (SUB FOR 15H624)

3шт.

11

R1612R

Dowel Pin

4шт.

12

R114130

Stud

(SUB FOR R55396)

4шт.

13

R104592

Pipe Plug

4шт.

14

R112422

Orifice

6шт.

15

R500642

Bushing

(SUB FOR R62930, THIS APPLICATION)

2шт.

16

R59112

Cap

Main

6шт.

R59113

Cap

(MAIN THRUST)

1шт.

17

R60117

Screw

14шт.

18

R70268

Washer

14шт.

19

R82007

Plug

1шт.

20

R87561

Bushing

4шт.

21

F1743R

Dowel Pin

2шт.

22

AT107509

Plug

2шт.

23

A4365

O-Ring

1шт.

24

DZ104494

Plug

SUB FOR AR61589

1шт.

25

R27149

O-Ring

1шт.

26

AR61533

Plug

1шт.

37H44

Screw

0.154" X 3/8" (ENGINE SERIAL NUMBER PLATE)

2шт.

15H686

Pipe Plug

1" (CYLINDER BLOCK COOLANT OPENING)

1шт.

Cylinder Block

(NOT AVAILABLE)

NAшт.

Выбрано товаров: 0