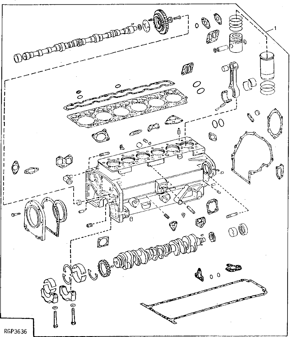
Запчасти John Deere 50LC 28 - Engine Short Block 0404 Cylinder Block 6101AT010 6101AT010

Схема запчастей John Deere 50LC - 28 - Engine Short Block 0404 Cylinder Block 6101AT010 6101AT010
FIT
1:1
100%

Артикул

Название

Примечание

Количество

1

RE53132

Short Block Assembly

(NLA) (MARKED R116334) (O RDER SE500477 OR SE500474)

1шт.

SE500477

Basic Diesel Engine Reman

(A) (6101AT010)

1шт.

SE500474

Diesel Engine Reman

(6101AT010)

1шт.

Выбрано товаров: 3