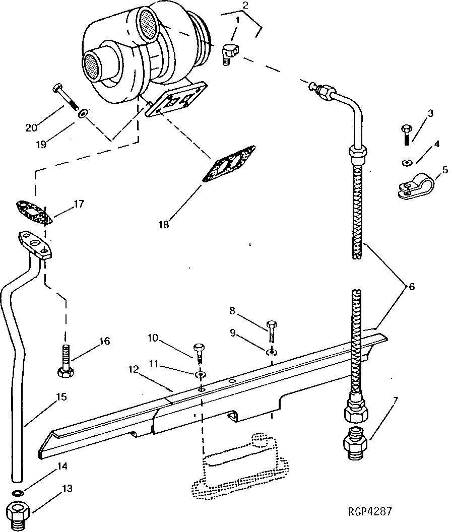
Запчасти John Deere 50LC 52 - Turbocharger and Oil Lines 0416 Turbocharger 6101AT010 6101AT010

Схема запчастей John Deere 50LC - 52 - Turbocharger and Oil Lines 0416 Turbocharger 6101AT010 6101AT010
FIT
1:1
100%

Артикул

Название

Примечание

Количество

1

T11180

Elbow Fitting

1шт.

2

RE509056

Turbocharger

(REMAN) (REFER TO DTAC SOLUTION 5308 7 WHEN INSTALLING) (SUB FOR RE67877)

1шт.

SE500484

Turbocharger Reman

(REMAN FOR RE509056 OR RE67877)

1шт.

3

19H2284

Cap Screw

3/8" X 7/8"

1шт.

4

24H1287

Washer

9/32" X 5/8" X 0.065"

1шт.

5

T13814

Clamp

1шт.

6

RE37021

Oil Line

1шт.

7

A4925R

Adapter Fitting

1шт.

8

19H1833

Cap Screw

5/8" X 1-1/4"

1шт.

9

24H1896

Washer

41/64" X 13/16" X 0.060"

1шт.

10

19H2038

Cap Screw

3/8" X 1/2"

2шт.

11

24H1682

Washer

13/32" X 7/8" X 0.120"

2шт.

12

RE53673

Heat Shield

1шт.

13

R41285

Adapter Fitting

1шт.

14

R72328

O-Ring

1шт.

15

RE69386

Oil Line

1шт.

16

R124277

Cap Screw

2шт.

17

R105346

Gasket

1шт.

18

R98235

Gasket

1шт.

19

24H1305

Washer

13/32" X 13/16" X 0.065"

4шт.

20

R54500

Screw

4шт.

Выбрано товаров: 21