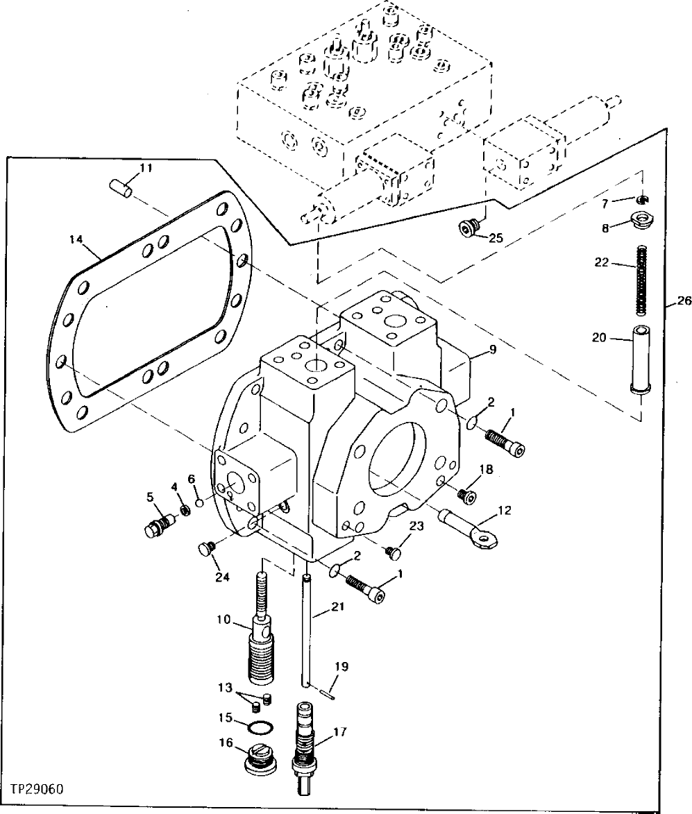
Запчасти John Deere 90 18 - MAIN HYDRAULIC PUMP REGULATOR AND COVER 2160 - MAIN HYDRAULIC SYSTEM 21

Схема запчастей John Deere 90 - 18 - MAIN HYDRAULIC PUMP REGULATOR AND COVER 2160 - MAIN HYDRAULIC SYSTEM 21
FIT
1:1
100%

Артикул

Название

Примечание

Количество

1

19M8447

SCREW

M10 X 35, (SUB FOR TH101448)

12шт.

2

12M7135

LOCK WASHER

10 MM, (SUB FOR TH101449) (SUB FOR 12M6791)

1шт.

4

57M7014

BULB

(SUB FOR TH101453)

2шт.

5

0215012

FITTING PLUG

(SUB FOR TH101440)

2шт.

6

T24652

BALL

(SUB FOR TH101450)

2шт.

7

0215014

WASHER

(SUB FOR TH101442)

2шт.

8

0215008

RETAINER

(SUB FOR TH101436)

2шт.

9

HOUSING

REGULATOR ( TH101432 NO LONGER AVAILABLE)

1шт.

10

PLUNGER

( TH101433 NO LONGER SERVICED)

2шт.

11

0215018

PIN

(SUB FOR TH101446)

2шт.

12

ROD

( TH101434 NO LONGER SERVICED)

2шт.

13

SCREW

( TH101447 NO LONGER SERVICED)

4шт.

14

4621833

PACKING

1шт.

15

4506424

O-RING

(SUB FOR TH100055)

2шт.

16

0215009

FITTING PLUG

(SUB FOR TH101437) (MARKED A)

2шт.

0215010

FITTING PLUG

(SUB FOR TH101438) (MARKED B)

2шт.

0215011

FITTING PLUG

(SUB FOR TH101439) (MARKED C)

2шт.

17

4163185

CONTROL

(SUB FOR TH101429)

2шт.

18

0215015

FITTING PLUG

(SUB FOR TH101443)

2шт.

19

0215023

SPRING PIN

(SUB FOR TH101451)

2шт.

20

0215007

RETAINER

(SUB FOR TH101435)

2шт.

21

0215013

ROD

(SUB FOR TH101441)

2шт.

22

SPRING

REFER TO MAIN HYDRAULIC PUMP CONTROL SPRING ( TH101454 NO LONGER AVAILABLE)

1шт.

23

0215016

FITTING PLUG

(SUB FOR TH101444)

2шт.

24

0215017

FITTING PLUG

(SUB FOR TH101445)

2шт.

25

0215221

PIPE PLUG

(SUB FOR TH101486)

2шт.

26

4191342

REGULATOR

(SUB FOR TH105665)

1шт.

Выбрано товаров: 27