Запчасти John Deere 90 16 - RIGH-HAND BOOM CYLINDER 3360 - EXCAVATOR 33

Схема запчастей John Deere 90 - 16 - RIGH-HAND BOOM CYLINDER 3360 - EXCAVATOR 33
FIT
1:1
100%

Артикул

Название

Примечание

Количество

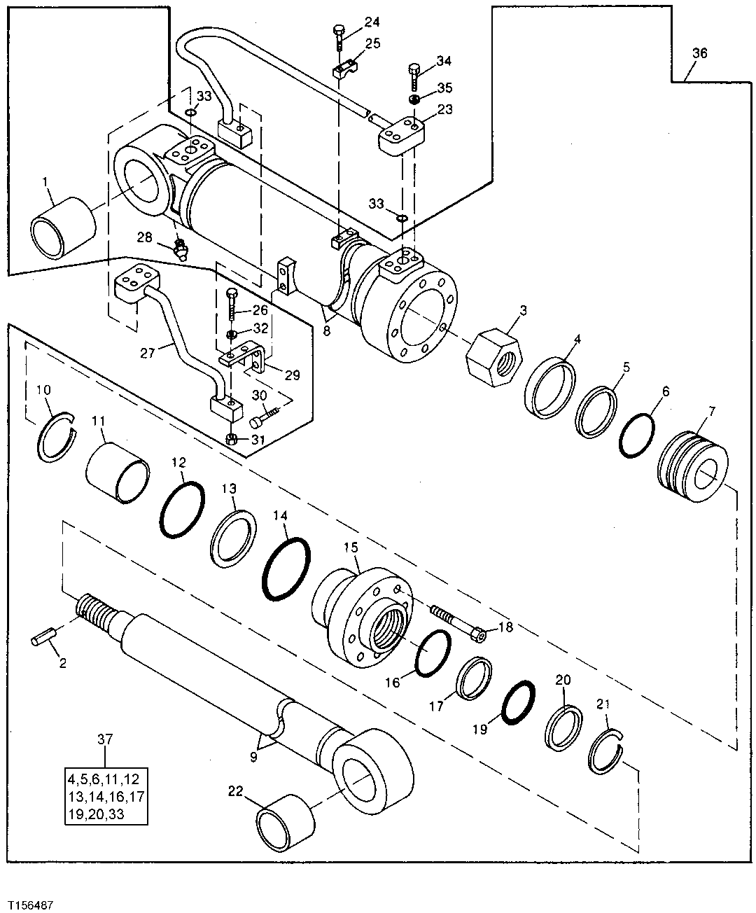
1

0207602

BUSHING

(SUB FOR TH100146)

1шт.

2

34M7133

SPRING PIN

8 X 70 MM, (SUB FOR TH100153)

1шт.

3

0207610

NUT

(SUB FOR TH100152)

1шт.

4

TH100149

WEAR RING

2шт.

5

TH100150

SEAL

1шт.

6

TH100151

O-RING

1шт.

7

0207633

PISTON

(SUB FOR TH100148) (ALSO ORDER TH103529) (SUB FOR TH103528)

1шт.

0207634

RING

(SUB FOR TH103529)

1шт.

8

0207601

HYDRAULIC CYLINDER BARREL

(SUB FOR TH100145)

1шт.

9

0207605

ROD

(SUB FOR TH100147)

1шт.

10

0207615

SNAP RING

(SUB FOR TH100092)

1шт.

11

TH100158

BUSHING

1шт.

12

TH100156

O-RING

1шт.

13

TH100157

BACK-UP RING

1шт.

14

AT264320

O-RING

(SUB FOR TH100155, T110448)

1шт.

15

0207612

HYDR. CYLINDER ROD GUIDE

(SUB FOR TH100154)

1шт.

16

TH100160

O-RING

1шт.

17

TH100159

SEAL

1шт.

18

0207621

SCREW

(SUB FOR TH100093)

8шт.

19

TH100161

O-RING

1шт.

20

TH100162

SEAL

1шт.

21

0207620

SNAP RING

(SUB FOR TH100163)

1шт.

22

4657238

BUSHING

(SUB FOR TH100073 OR 0207603)

1шт.

23

0207701

OIL LINE

(SUB FOR TH100174)

1шт.

24

19M8261

CAP SCREW

M8 X 40, (SUB FOR TH100099)

2шт.

12M7056

LOCK WASHER

8 MM (0.315") (SUB FOR TH100100) (SUB FOR 12M7065)

5шт.

25

0207630

HALF CLAMP

(SUB FOR TH100098)

1шт.

26

19M7363

CAP SCREW

M12 X 60, (SUB FOR TH100168)

2шт.

27

0207702

TUBE

(SUB FOR TH100175)

1шт.

28

TH100074

LUBRICATION FITTING

1шт.

29

0207625

BRACKET

(SUB FOR TH100166)

1шт.

30

19M7268

CAP SCREW

M12 X 25, (SUB FOR TH100167)

2шт.

12H301

LOCK WASHER

1/2", (SUB FOR TH100170)

2шт.

31

TH100169

NUT

2шт.

32

12H301

LOCK WASHER

1/2", (SUB FOR TH100170)

2шт.

33

AT264333

O-RING

(SUB FOR TH100096) (BETWEEN TUBE AND CYLINDER BARREL)

2шт.

34

19M8711

SCREW

(SUB FOR TH100097)

8шт.

35

12M7056

LOCK WASHER

8 MM (0.315") (SUB FOR TH100100) (SUB FOR 12M7065)

5шт.

36

AT264205

HYDRAULIC CYLINDER

(SUB FOR TH100173) (SUB FOR TH105662)

1шт.

37

AT196477

SEAL KIT

(SUB FOR 4184189) (CYLINDER SEAL KIT)

1шт.

Выбрано товаров: 0