Запчасти John Deere 90 7A - SWING MOTOR 4360 - SWING, ROTATION OR PIVOTING SYSTEM 43

Схема запчастей John Deere 90 - 7A - SWING MOTOR 4360 - SWING, ROTATION OR PIVOTING SYSTEM 43
FIT
1:1
100%

Артикул

Название

Примечание

Количество

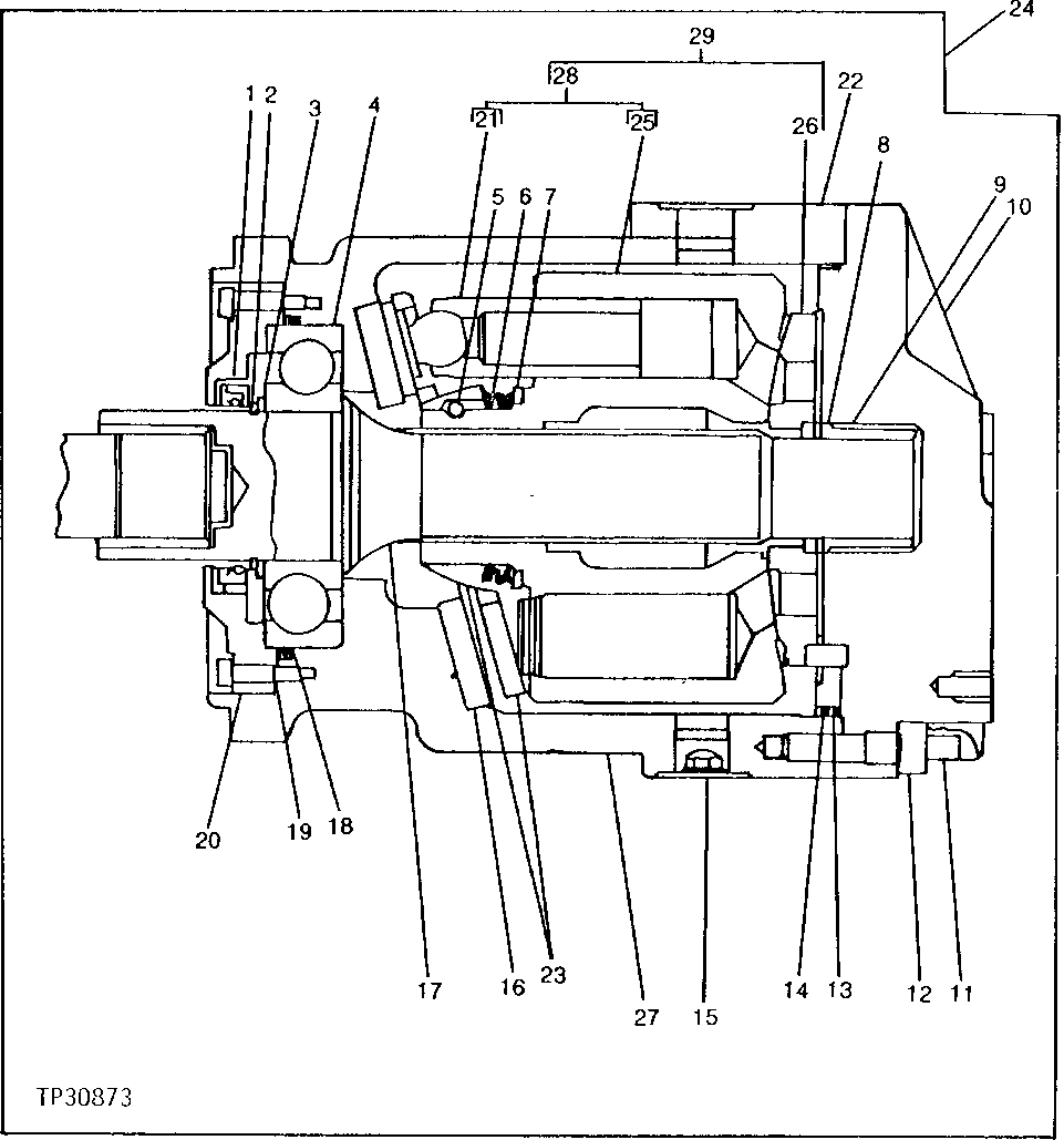
1

0234114

SEAL

(SUB FOR TH103567)

1шт.

2

40M7066

SNAP RING

(SUB FOR TH100498)

1шт.

3

0234111

WASHER

(SUB FOR TH103563)

1шт.

4

0234107

BALL BEARING

(SUB FOR TH103557)

1шт.

5

400R

BALL

(SUB FOR TH103565)

1шт.

6

0234110

SPRING WASHER

(SUB FOR TH103560)

1шт.

7

0224915

PLATE

(SUB FOR TH103561)

1шт.

8

0234109

BUSHING

(SUB FOR TH103559)

1шт.

9

0234108

NEEDLE BEARING

(SUB FOR TH103558)

1шт.

10

COVER

( TH103551 NO LONGER AVAILABLE)

1шт.

11

94-2011

FITTING PLUG

(SUB FOR TH100434)

2шт.

12

19M8448

SCREW

(SUB FOR TH101907)

9шт.

13

0224916

PIN

(SUB FOR TH103562)

1шт.

14

0234115

O-RING

(SUB FOR TH103568)

1шт.

15

0113504

PLUG

(SUB FOR TH102732)

1шт.

16

0234105

PLATE

(SUB FOR TH103555)

1шт.

17

0234102

SHAFT

(SUB FOR TH103552)

1шт.

18

0234116

O-RING

(SUB FOR TH103569)

1шт.

19

TH103566

BOLT

6шт.

20

0234106

CASE

(SUB FOR TH103556)

1шт.

21

TH106986

PISTON

9шт.

22

0234112

KIT

(SUB FOR TH103564)

1шт.

23

0234104

RETAINER

(SUB FOR TH103554)

1шт.

24

4162102

MOTOR

(REMANUFACTURED) (SUB FOR TH103541, AT217363)

1шт.

25

PISTON

1шт.

26

PISTON

1шт.

27

CASE

( TH106985 NO LONGER AVAILABLE)

1шт.

28

PISTON

( TH106984 NO LONGER AVAILABLE)

1шт.

29

0234103

CYLINDER BLOCK

(SUB FOR TH103553)

1шт.

Выбрано товаров: 29