Запчасти John Deere 90 10 - FUEL INJECTION PUMP GASKET OVERHAUL KIT 413 - ENGINE 4

Схема запчастей John Deere 90 - 10 - FUEL INJECTION PUMP GASKET OVERHAUL KIT 413 - ENGINE 4
FIT
1:1
100%

Артикул

Название

Примечание

Количество

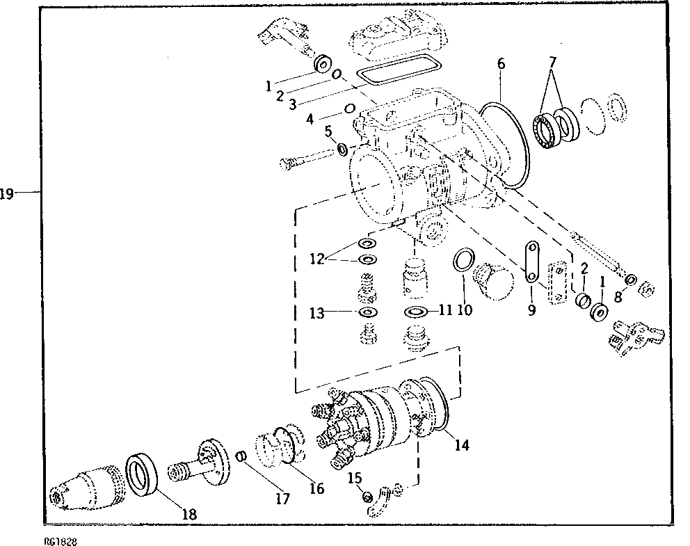
1

WASHER

(A) THROTTLE SHAFT

2шт.

2

T11915

O-RING

2шт.

R76578

O-RING

(SUB FOR T11915, THIS APPLICATION)

2шт.

3

T11918

GASKET

1шт.

4

T11878

WASHER

1шт.

5

WASHER

(A) GUIDE STUD

1шт.

6

R54229

SEAL

PUMP FLANGE

1шт.

7

SEAL

(A) DRIVE SHAFT

2шт.

8

R34812

O-RING

PIVOT SHAFT

2шт.

9

T11883

GASKET

TIMING LINE COVER

1шт.

10

O-RING

(A) ROLE PLUG

1шт.

11

T15712

O-RING

ADVANCE PLUG

1шт.

12

T11899

O-RING

LOCATING SCREW

1шт.

13

R34812

O-RING

(SUB FOR T17951 AND T11906)

1шт.

14

O-RING

(A) HEAD

1шт.

15

R54242

SNAP RING

6шт.

16

O-RING

(A)

1шт.

17

WASHER

(A) REGULATING SLEEVE

1шт.

18

WASHER

(A) INLET FILTER SCREEN

1шт.

19

KIT

(A)

1шт.

Выбрано товаров: 20