Запчасти John Deere 90 2 - MAIN FRAME AND COUNTERWEIGHT 1740 - FRAME, CHASSIS OR SUPPORTING STRUCTURE 17

Схема запчастей John Deere 90 - 2 - MAIN FRAME AND COUNTERWEIGHT 1740 - FRAME, CHASSIS OR SUPPORTING STRUCTURE 17
FIT
1:1
100%

Артикул

Название

Примечание

Количество

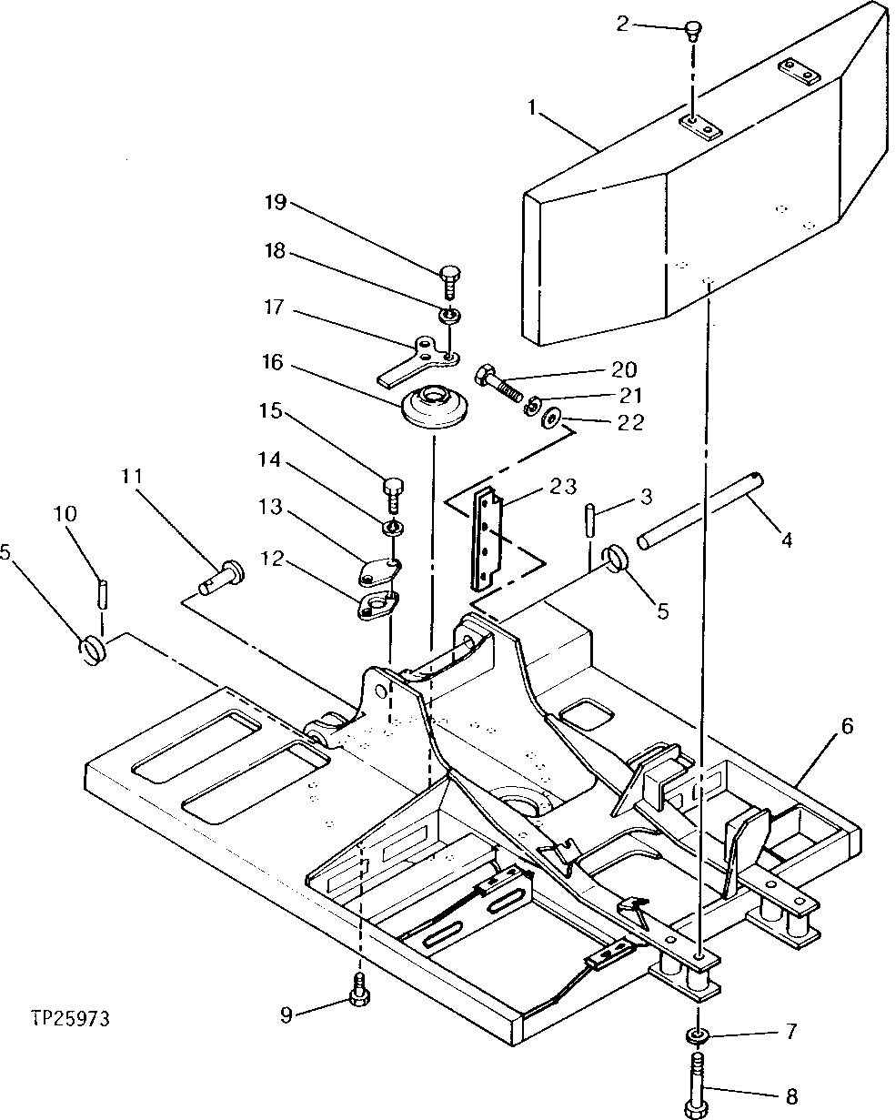
1

COUNTERWEIGHT

( TH100860 NO LONGER AVAILABLE)

1шт.

2

4149678

PLUG

(SUB FOR TH100634)

4шт.

3

4186695

PIN

(SUB FOR TH100623) (SUB FOR TH105638)

1шт.

4

3043454

PIN FASTENER

(SUB FOR TH100621) (SUB FOR AT126171)

1шт.

5

4065688

RETAINER

(SUB FOR TH100624)

3шт.

6

MAIN FRAME

( TH100859 NO LONGER AVAILABLE)

1шт.

7

4126485

BUSHING

(SUB FOR TH100627)

4шт.

8

J932720

BOLT

(SUB FOR TH100626)

4шт.

9

J931800

CAP SCREW

(SUB FOR TH100620)

28шт.

10

4065689

PIN FASTENER

(SUB FOR TH100625)

2шт.

11

3037071

PIN

(SUB FOR TH100622) (SUB FOR TH108201)

2шт.

12

4157713

GASKET

(SUB FOR TH100632)

1шт.

13

4013896

COVER

(SUB FOR TH100633)

1шт.

14

24M7028

WASHER

10.500 X 20 X 2 MM, (SUB FOR TH100263)

2шт.

15

19M7402

CAP SCREW

M10 X 25

2шт.

16

4129183

ISOLATOR

(SUB FOR TH100629)

1шт.

17

4121020

LINK

(SUB FOR TH100630)

1шт.

18

12H301

LOCK WASHER

1/2", (SUB FOR TH100413)

3шт.

19

19M7872

CAP SCREW

M12 X 25

3шт.

20

21M7278

SCREW

M5 X 10

5шт.

21

12M7064

LOCK WASHER

5 MM, (SUB FOR TH100519)

5шт.

22

24M7027

WASHER

5.300 X 10 X 1 MM, (SUB FOR TH100540)

5шт.

23

4156737

GUARD

(SUB FOR TH100861)

1шт.

24

8028988

BRACKET

(SUB FOR TH101606) (NOT ILLUSTRATED)

1шт.

25

19M7932

CAP SCREW

M8 X 16, (NOT ILLUSTRATED)

3шт.

12M7056

LOCK WASHER

8 MM, (SUB FOR TH100529) (SUB FOR 12M7065) (NOT ILLUSTRATED)

3шт.

Выбрано товаров: 26