Запчасти John Deere 90D 8 - HEATER 1830 - OPERATORS STATION 18

Схема запчастей John Deere 90D - 8 - HEATER 1830 - OPERATORS STATION 18
FIT
1:1
100%

Артикул

Название

Примечание

Количество

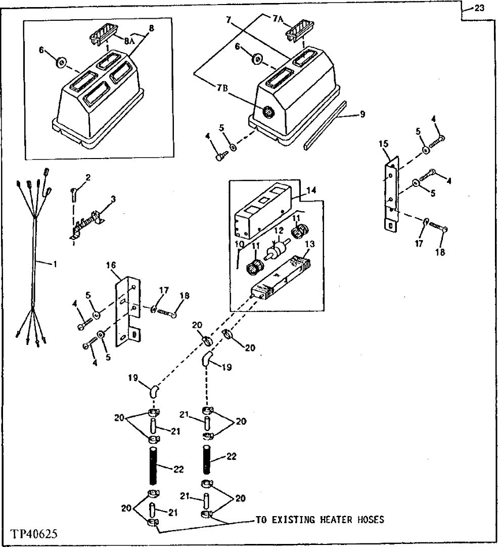
1

AT112079

WIRING HARNESS

(BLOWER MOTOR TO BLOWER SWITCH)

1шт.

R44302

TIE BAND

(KEEP WIRES OUT OF BLOWER BLADES)

1шт.

2

37H196

SCREW

(RESISTOR TO HEATER) (40,000 BTU PER HOUR)

2шт.

3

AT56762

RESISTOR

1шт.

4

37H84

SCREW

8шт.

5

24H1821

WASHER

9/32" X 47/64" X 1/16"

12шт.

6

B30667

GROMMET

1шт.

7

AT132891

COVER

(SUB FOR AT81206 OR AT130120)

1шт.

7A

AT81207

LOUVER

2шт.

7B

AT103802

LOUVER

2шт.

8

COVER

(SUB AT132891) ( AT81206 NO LONGER AVAILABLE)

1шт.

8A

AT130121

LOUVER

(SUB FOR AT81207, ALONG WITH (4) M46081, THIS APPLICATION)

4шт.

9

SEAL

(MAKE FROM T70636 BULK MATERIAL, CUT TO LENGTH)

1шт.

10

AT80368

BLOWER

1шт.

11

AT66343

BLOWER FAN

(SET OF TWO) (BLOWER)

1шт.

12

AT80369

ELECTRIC MOTOR

1шт.

13

AT56095

CORE

1шт.

14

HEATER

( AT80367 NO LONGER AVAILABLE)

1шт.

15

T80640

BRACKET

(HEATER SIDE WITHOUT TUBES) (USE IF AVAILABLE)

1шт.

16

T80639

BRACKET

(TUBE SIDE OF HEATER) (USE IF AVAILABLE)

1шт.

17

24H1287

WASHER

9/32" X 5/8" X 0.065"

4шт.

18

19H1948

CAP SCREW

1/4" X 3/4"

4шт.

19

T22942

HOSE

2шт.

20

WZ2141223

HOSE CLAMP

(SUB FOR AR21837, THIS APPLICATION) (SUB FOR AA34965)

ARшт.

21

N155214

HOSE FITTING

4шт.

22

HOSE

(SUB FOR T78162) (MAKE FROM TY22328 BULK MATERIAL, CUT TO LENGTH)

2шт.

23

HEATER

( TH108182 NO LONGER AVAILABLE) (REPLACEMENT FIELD KIT AVAILABLE FROM "RED DOT")

1шт.

Выбрано товаров: 0