Запчасти John Deere 90D 4 - BUCKET, .4 CUBIC METER 3302 - EXCAVATOR 33

Схема запчастей John Deere 90D - 4 - BUCKET, .4 CUBIC METER 3302 - EXCAVATOR 33
FIT
1:1
100%

Артикул

Название

Примечание

Количество

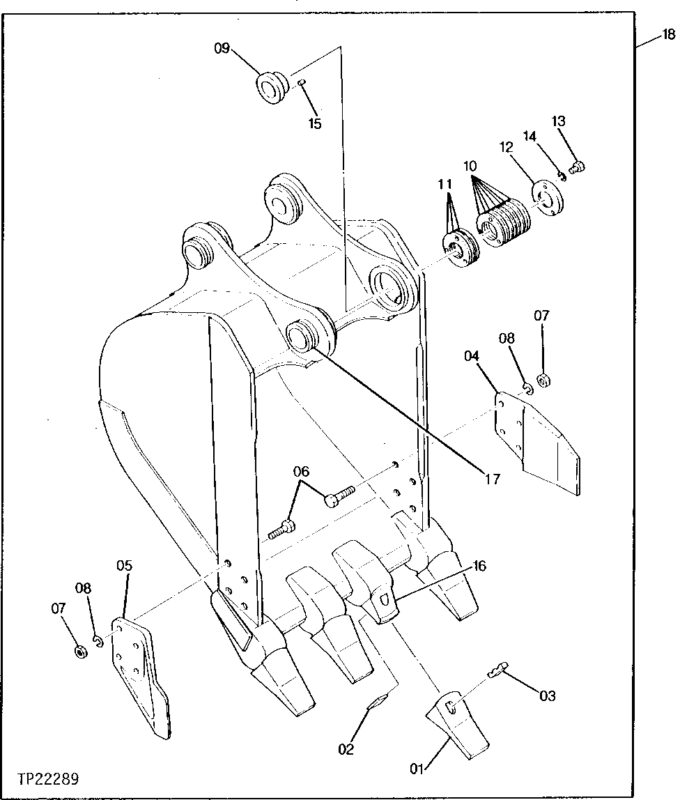
1

T30S

TOOTH

(SUB FOR TH100339)

4шт.

2

T2530PN

PIN FASTENER

(SUB FOR TH100340)

4шт.

3

T2530LK

LOCK

(SUB FOR TH108949 OR TH100341)

4шт.

4

4646805

CUTTERBAR

(SUB FOR TH100342 OR 2015428)

1шт.

5

4646806

CUTTER TOOTH

(SUB FOR TH100343 OR 2015429)

1шт.

6

19M7597

CAP SCREW

M20 X 50

8шт.

7

14M7277

NUT

M20

8шт.

8

12M7070

LOCK WASHER

20 MM

8шт.

9

3028363

BUSHING

(SUB FOR TH100346)

1шт.

10

WASHER

(K) (1) (SUB AT146242) ( TH100348 NO LONGER AVAILABLE)

7шт.

11

SHIM

(K) (0.5) (SUB AT146242) ( TH100349 NO LONGER AVAILABLE)

3шт.

12

TH100347

SPACER

1шт.

13

19M7404

CAP SCREW

M14 X 40

3шт.

14

12H317

LOCK WASHER

9/16"

3шт.

15

4179109

PIN

(SUB FOR TH103619)

1шт.

16

4606717

BUCKET TOOTH ADAPTER

(SUB FOR TH108948 OR 4188013)

4шт.

17

TH108649

BUSHING

2шт.

18

EXCAVATOR BUCKET

( TH108183 NO LONGER AVAILABLE)

1шт.

Выбрано товаров: 18