Запчасти John Deere 90D 6 - ARM CYLINDER 3360 - EXCAVATOR 33

Схема запчастей John Deere 90D - 6 - ARM CYLINDER 3360 - EXCAVATOR 33
FIT
1:1
100%

Артикул

Название

Примечание

Количество

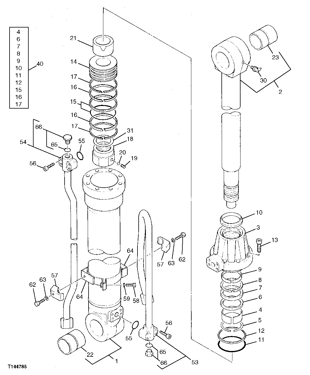
0

HYDRAULIC CYLINDER

( AT264185 NLA) (SUB FOR TH109346) (NOT ILLUSTRATED) (CONTAINS ITEMS 1 THROUGH 31) (REMAN)

1шт.

1

4227362

HYDRAULIC CYLINDER BARREL

(SUB FOR TH109347) (SUB FOR TH111665)

1шт.

2

4227363

ROD

(SUB FOR TH109348) (SUB FOR TH111666)

1шт.

3

0310903

CYLINDER HEAD

(SUB FOR TH109349)

1шт.

4

AT264314

WEAR RING

(A) (SUB FOR T108041)

1шт.

5

AT132690

SNAP RING

(SUB FOR TH104908 OR 4004663)

1шт.

6

AT264315

RING

(A) (SUB FOR T108042)

1шт.

7

AT264357

SEAL

(A) (SUB FOR TH104925)

1шт.

8

AT264358

BACK-UP RING

(A) (SUB FOR TH104926)

1шт.

9

AT264316

RING

(A) (SUB FOR T108043) (SUB FOR 4S00137)

1шт.

10

AT264276

RING

(A) (SUB FOR TH104928, AT176706)

1шт.

11

AT264320

O-RING

(A) 109.400 X 3.100 MM (4.307" X 0.122") (SUB FOR TH100155, T110448)

1шт.

12

TH109353

BACK-UP RING

(A) 110 X 115 X 1.500 MM (4.331" X 4.528" X 0.059")

1шт.

13

0310905

SCREW

M18 X 55, (SUB FOR TH109354)

8шт.

14

0310906

PISTON

(SUB FOR TH109355)

1шт.

15

TH105767

RING

(A)

1шт.

16

AT309608

RING

(A) (SUB FOR TH109356, 4S00141)

2шт.

17

TH109357

RING

(A) (SUB FOR AT309610)

2шт.

18

0309010

NUT

(SUB FOR T108025)

1шт.

19

22M6684

SET SCREW

M12 X 12, (SUB FOR T108026)

1шт.

20

T13624

BALL

7.145 MM (9/32") (SUB FOR TH109327)

1шт.

21

0310909

SLEEVE

(SUB FOR TH109359)

1шт.

22

0174403

BUSHING

(SUB FOR TH104939)

1шт.

23

0174403

BUSHING

(SUB FOR TH104939)

1шт.

30

T116334

LUBRICATION FITTING

(SUB FOR TH100075)

1шт.

31

T108030

SHIM

0.300 MM (0.012") (SUB FOR 0309013)

1шт.

40

AT194335

SEAL KIT

(INCLUDES PARTS MARKED (A)) (SUB FOR AT176705)

1шт.

53

0310914

LINE

(ALSO ORDER 19M8337) (SUB FOR TH109361, 0310910)

1шт.

54

0310911

LINE

(SUB FOR TH109362)

1шт.

55

AT264360

O-RING

(SUB FOR TH104930, 4506430)

2шт.

56

19M8213

SCREW

M10 X 50, (SUB FOR TH109333 AND T108034)

4шт.

19M8337

SCREW

M10 X 30

4шт.

57

T108036

CLAMP

2шт.

58

19M7361

CAP SCREW

M12 X 50, (SUB FOR T108037)

2шт.

59

12M7058

LOCK WASHER

12 MM, (SUB FOR 12M7067)

2шт.

62

19M7550

CAP SCREW

M10 X 35, (SUB FOR T108032)

2шт.

63

12M7066

LOCK WASHER

10 MM

2шт.

64

0310912

BAND

(SUB FOR TH109365)

2шт.

65

AT318035

O-RING

(SUB FOR 4506424, TH100055)

1шт.

66

4174542

DRAIN PLUG

(SUB FOR TH110478)

1шт.

67

SEAL

(ROD AND HEAD END) (NOT ILLUSTRATED OR INCLUDED IN CYLINDER ASSEMBLY - FOR DETAIL SEE BOOM, BUCKET AND ARM PLUMBING)

2шт.

Выбрано товаров: 41