Запчасти John Deere 90D 66 - CONTROL VALVE 3360 - EXCAVATOR 33

Схема запчастей John Deere 90D - 66 - CONTROL VALVE 3360 - EXCAVATOR 33
FIT
1:1
100%

Артикул

Название

Примечание

Количество

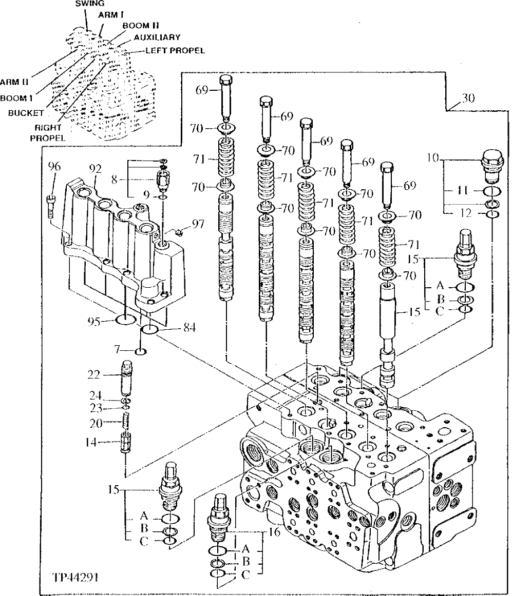
0

4224897

HYD ACTUATED CONTROL VALVE

(NOT ILLUSTRATED) (CONTAINS ALL ITEMS ON THIS PAGE - ADDITIONAL COMPONENTS LISTED ON PREVIOUS AND FOLLOWING PAGES) (SUB FOR TH111889, AT186093, TH108295 AND 4271412EX)

1шт.

7

CH11570

O-RING

1шт.

8

9202621

ADAPTER FITTING

(SUB FOR TH109202, 0309462, TH109202)

1шт.

9202621

ADAPTER FITTING

(SUB FOR 0328506, AT128047)

1шт.

9

M800650

PACKING

1шт.

10

0309461

PLUG

(SUB FOR TH109201)

2шт.

11

AT264347

O-RING

(SUB FOR TH100136, 4506428)

1шт.

12

CH12329

PACKING

1шт.

14

0309407

FLOW CONTROL HYD. VALVE

(SUB FOR TH109146)

1шт.

15

9202625

FLOW CONTROL HYD. VALVE

(SUB FOR AT128070 OR AT128356) (SUB FOR 4265364) (BOOM 1 - ROD END AND ARM 1 - ROD END)

2шт.

15A

AT264347

O-RING

(SUB FOR TH100136, 4506428)

1шт.

15B

4027959

BACK-UP RING

(SUB FOR AT134327)

1шт.

15C

CH12329

PACKING

1шт.

16

4265365

PRESSURE RELIEF VALVE

(SUB FOR AT128071 OR AT128357) (BUCKET ROD END)

1шт.

16A

AT264347

O-RING

(SUB FOR TH100136, 4506428)

1шт.

16B

4027959

BACK-UP RING

(SUB FOR AT134327)

1шт.

16C

CH12329

PACKING

1шт.

20

0309413

SPRING

(SUB FOR TH109152)

1шт.

22

0357607

FITTING PLUG

(SUB FOR TH109154)

1шт.

23

CH10568

PACKING

(SUB FOR TH102668)

1шт.

24

0309416

BACK-UP RING

(SUB FOR TH109155)

1шт.

69

0309441

BOLT

(SUB FOR TH109181)

5шт.

70

0309442

VALVE SEAT

(SUB FOR TH109182)

10шт.

71

0309443

SPRING

(SUB FOR TH109183)

5шт.

76

0309444

VALVE SPOOL

(SUB FOR TH109184)

1шт.

84

0309449

O-RING

(SUB FOR TH109189)

1шт.

92

0309451

HOUSING

(SUB FOR TH109191)

1шт.

95

4S00101

O-RING

(SUB FOR (5) TH109194)

5шт.

96

0309455

SCREW

(SUB FOR TH109195)

10шт.

97

15H560

PIPE PLUG

1/16", (SUB FOR TH109196)

1шт.

Выбрано товаров: 30